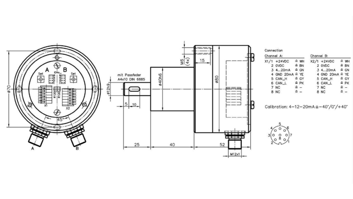
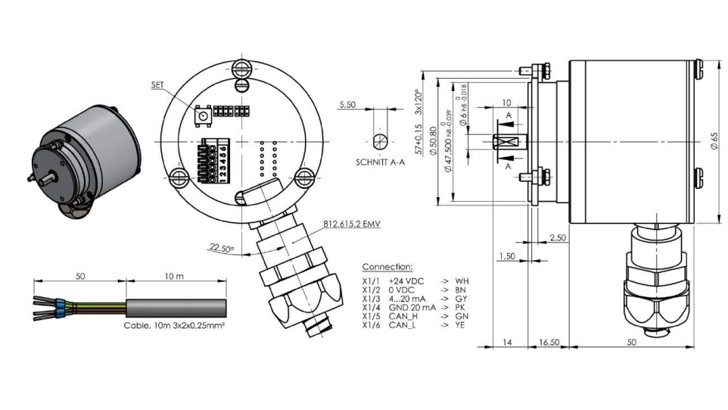
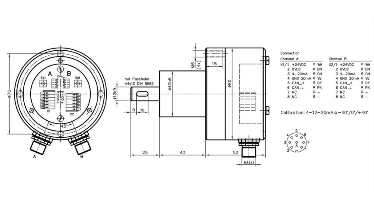
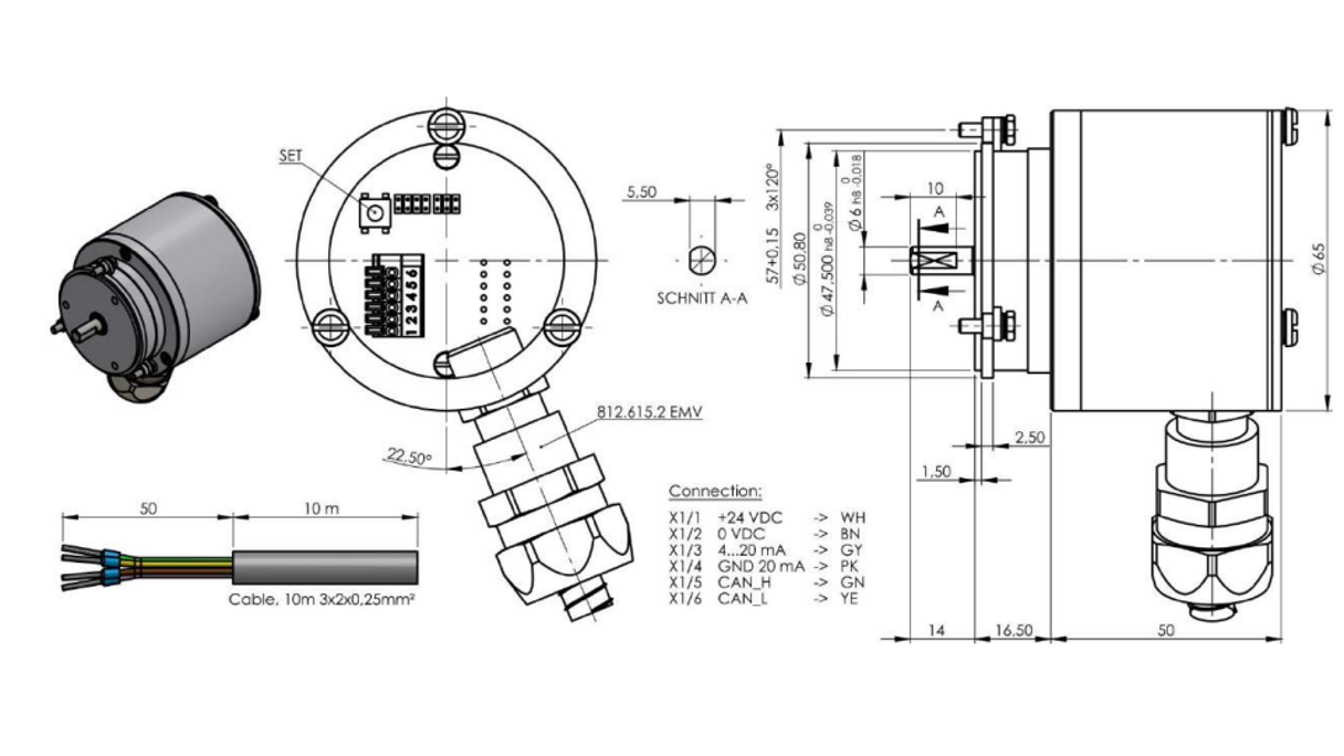
Angle Sensor EDG 50.5X & 50.7X
The Angle Sensor EDG50 Series from Dr. E. Horn has been meticulously crafted following the guidelines outlined in CiA 406: Device Profile for encoders, incorporating NMT slave functionality. The Node-ID can be conveniently chosen via hardwire or jumper settings, offering a selection of 7 distinct Node-IDs.
Key Features & Benefits
- Absolute Positioning – Retains accurate position after power loss.
- High Precision – Delivers reliable, high-resolution output.
- Rugged Design – Built for harsh marine and industrial conditions.
- Easy Integration – Supports multiple interfaces for seamless setup.
We deliver directly and globally to end-users, agents, and resellers.
Contact us at marine@insatech.com.
