Insatech logo
Fuel Drip Brunker Sampler Parker 1024 Square

Fuel Drip Bunker Samplers

The Fuel Drip Bunker Sampler makes taking a representative sample very easy and economic. It helps you to follow the legal requirements of bunker fuel sampling. Easy and quick installation.

Advantages for you:

• Fuel Quality Assurance
• Regulatory Compliance
• Prevention of Engine Damage
• Evidence in Disputes

We deliver directly and globally to end-users, agents, and resellers.
Contact us at quotes@insatech.com.

Get a quote

Ensure Quality, Compliance, and Sustainability

Fuel Drip Bunker Samplers are essential for ensuring efficient, compliant, and sustainable maritime operations. These devices collect representative fuel samples during bunkering, providing accurate evidence of fuel quality. This helps mitigate risks associated with contaminated or substandard fuel, such as engine damage, operational disruptions, and costly repairs. By verifying fuel quality, they ensure smooth engine performance and operational reliability.

In addition to safeguarding efficiency, bunker samplers are crucial for meeting regulatory standards, such as those set by the IMO’s MARPOL Annex VI. They enable vessels to demonstrate compliance with fuel regulations, avoiding penalties and supporting environmentally responsible practices. By detecting non-compliant fuel, they also help reduce harmful emissions, aligning with global sustainability goals. Reliable and legally defensible, these samplers play a key role in protecting ships, the environment, and the industry’s long-term viability.

TECHNICAL QUESTIONS? ASK US NOW

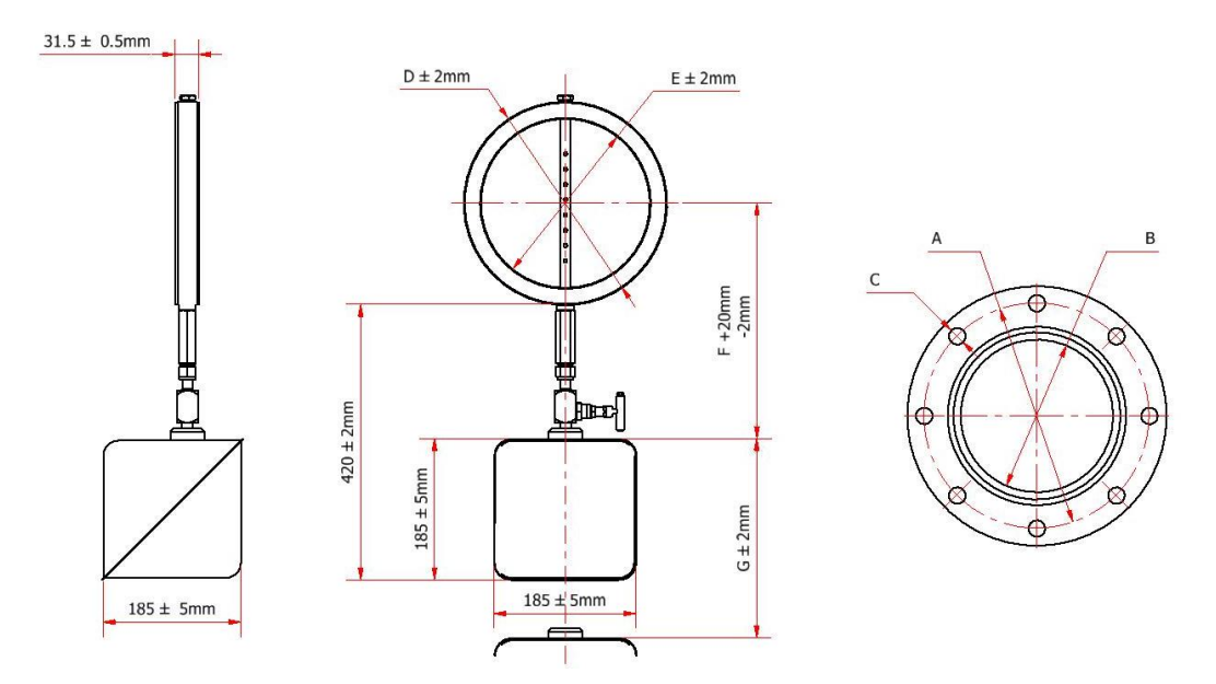
How to Select The Correct Size:

A = Pitch Circle Diameter 
B = Nominal Pipe Size 
C = Bolt Hole Diameter

Calculation: X = A-C : Select the nearest size Bunker Sampler with an OD smaller than X and an inner diameter larger than the Nominal Pipe Size (B).

Example: Pitch Circle Diameter (A) = 290 mm Bolt Hole Diameter (C) = 23 mm Nominal Pipe Size (B) = 200 mm: (X) 267 =  290 (A) - 23 (C) 
The drip samplers are provided in various sizes from 50 - 300 mm (2" - 14").

See all available sizes under Specifications.

NEED HELP? SEND US A MESSAGE

Bunker Sampler with A B and C illustrated

Sizes available

Fuel Drip Bunker Sampler Construction Pakwe 1024 16X9

How it is constructed:

Hex Plug: 316 Stainless Steel
Sample Flange: 304 Stainless Steel
Gasket: Aramid Fibres - Glass Fibres - Nitrile Rubber
Sample Tube: 304 Stainless Steel
Needle Valve: 304 Stainless Steel - Polytetrafluoroethylene (PTFE)
Sampler Cap: 303 Stainless Steel
Cubitainer: Low Density Polyethylene (LDPE) 

TALK TO AN EMPLOYEE

Your All-in-One Tool for Reliable Fuel Sampling on Every Ship

• Lightweight and very easy to install
• Joint rings included
• All sizes available
• Comprehensive accessories and consumables

Fuel drip sampler, bunker sampler, drip ring – these terms all refer to the same essential instrument. A fuel drip sampler is a crucial tool for every ship, designed to collect samples of any type of fuel entering the vessel. As its name implies, the sampler enables the collection of reliable and representative fuel samples during the bunkering process, ensuring accurate evaluation in the laboratory.

ANY QUESTIONS? WRITE TO US

Are you ready to be compliant?

Drip Bunker Samplers from Parker Kittiwake, are compliant with IMO MARPOL 73/78 Annex VI. They are designed to provide a representative sample of the entire fuel delivery. Manufactured from stainless steel, all products comply with ISO 3170, BS 3195, ASTM D 4057 and ISO TR 13729 standards, as well as the Singapore Bunkering Procedure. 

WRITE A MESSAGE

169 Marineforsidebillede
Bottle11 0

Need Reliable Fuel Oil Sample Bottles?

Fuel Oil Sample Bottles and Mailer Packs are essential for obtaining reliable and representative oil samples. Our sample bottles are designed specifically for bunker fuel systems and come with sealing and labeling options. Tested and approved for air freight and courier transport, these products offer a simple, cost-effective, and safe solution for fuel oil sampling.

We provide 750ml HDPE sample bottles complete with tamper-evident caps, labels, and mailing cartons, with the mailer cartons included in the FG-K3-210-KW kits. Bulk supply options are available, along with accessories like security seals and additional labels.

CHECK OUT OUR OIL SAMPLE BOTTLES

Designed for all environments

The Parker Kittiwake Bunker Sampler and equipment have been designed for worldwide operations including North Sea, Norwegian Continental Shelf and tropical waters. This unit is designed to withstand salty and highly corrosive environments.

WANT TO KNOW MORE? CONTACT US TODAY

Fuel Drip Brunker Sampler Parker 1024 16X9 Fuel Drip Bunker Sampler Dimensions Paker 1024 16X9 Bottle11 0 Fuel Drip Bunker Sampler Construction Pakwe 1024 16X9 Bunker Sampler with A B and C illustrated
Fuel Drip Brunker Sampler Parker 1024 16X9
Fuel Drip Bunker Sampler Dimensions Paker 1024 16X9
Bottle11 0
Fuel Drip Bunker Sampler Construction Pakwe 1024 16X9
Bunker Sampler with A B and C illustrated

FAQ

Get in Touch with Our Experts

Insatech Medarbejdere Website MSR
For technical questions

Martin Søvind Jensen


Tel: +45 2761 4502

Email: Marine@insatech.com

Write to Martin

Test Af Websitebillede FREJ ANAN HNI
For commercial inquiries

Our team of Sales Specialists


Tel.: +45 5537 2095

Email: quotes@insatech.com

 

Contact us now

We Deliver Directly to End Customers, Resellers, and Agents – Globally

At Insatech, we are proud to offer our high-quality products to all customers worldwide. Whether you’re an end customer, a reseller, or an agent, you can purchase directly from us.

By choosing us, you gain direct access to all our products, eliminating the need for intermediaries. Our global distribution possibilities ensure fast and reliable delivery to your doorstep, wherever you are.

We strive to make it easy for you as an end consumer to find the products you are looking for while supporting agents and resellers looking to grow their business. Whether you’re buying for your use or resale, we’re here to meet your needs.

Discover how simple it is to work directly with a trusted global distributor – shop with confidence at Insatech today!

Contact us here

Parker logo

 

Why We Offer Parker Products

At Insatech, we choose Parker Hannifin because their products set the industry standard for innovation, reliability, and performance. Parker’s advanced technologies and durable components ensure long-term efficiency and safety in demanding marine and industrial applications. By integrating Parker’s instrumentation, valves, and system solutions, we deliver trusted, high-quality results that help our customers operate smarter and more sustainably.

Authorized Parker Hannifin Distributor

 

At Insatech, we deliver more than high-quality Parker Hannifin products - we provide complete Parker solutions. Combining engineering expertise, global support, and proven technology, our turnkey systems are built to meet real operational challenges. With tailored services and expert knowledge, we ensure efficiency, compliance, and long-term performance across marine, industrial, and process applications.

Get help and support

Two Insatech employees at a meeting
  • Brochure - Parker Kittiwake Bunker Sampler
    English | pdf
  • Technical Datasheet - Parker Kittiwake Bunker Sampler
    English | pdf

Didn't you find what you were looking for? 

If you are looking for some specific material, please write to us. Then we will try to find it for you, and send it as soon as possible.

Fill out the contact form 

Consent for storing of submitted data *


This site is protected by reCAPTCHA and the Google Privacy Policy and Terms of Service apply.

To top

Search