Insatech logo
Brannstrom BilgMon 488 with cable

BilgMon 488 15 ppm Bilge Alarm 

The BilgMon 488 from Brannstrom is a bilge water oil content monitor designed for marine applications. It is used to ensure compliance with IMO MEPC.107(49) regulations by continuously measuring the oil content in bilge water before discharge overboard.

If you need a new version or have lost the BilgMon 488 software, please contact us for support.

Advantages for you:

  • Easy to operate
  • Compact system, optimal for a retrofit
  • Stocked at Insatech warehouse
  • Cost friendly
  • Calibration by replacement - easily done by crew
  • Competitive price.

We deliver directly and globally to end-users, agents, and resellers.
Contact us at quotes@insatech.com.

Get a quote

Bilge Monitoring - 15ppm Bilge Alarm

A 15ppm Bilge Alarm operates on the working principle, where the oil content of the separated/filtered water is monitored and stops the discharge into the sea if the oil content exceeds 15ppm (parts per million). Thus, a 15ppm Bilge Alarm, linked to a ship's oil separator, stops discharge if oil content exceeds 15ppm, ensuring compliance through constant analysis. This technology, thus, is normally used in connection to a ship's oil filtering equipment, also known as "bilge water separator" a OWS-system.

The 15 ppm bilge alarm type "BilgMon 488" is type approved for this purpose according to the IMO Rules MEPC.107(49), demonstrating its reliable technology and compliance with industry standards.

Furthermore, the 15ppm bilge alarm can, in principle, be utilized as a simple oil content monitoring system for other applications, provided the water is free from solids or substances that may interfere with its operation.

Cheaper to Replace than Repair

When a complete new bilge water separator is delivered to an existing ship, or to a new building, the separator already contains a 15 ppm bilge alarm. However, when the 15ppm bilge alarm on an existing ship is broken beyond repair, or repairing the bilge alarm would be almost as expensive as a new one, the best solution is to replace the old alarm with a new one.

If your old model comes with the RTC failure alarm you can contact us directly, so we can give you support, or you can try to solve the problem yourself as it might has to do with the battery replacement of the unit.

The RTC failure means the real time clock (RTC) has stopped, if your Bilgmon 488 is of a newer type you can change the battery yourself. Thus, the Bilgmon 488 battery replacement is relatively simple to do.

The RTC backup battery is coupled in parallel with a backup capacitor. This means that the Bilgemon488 can keep its RTC running for a couple of hours without the battery present.

The RTC battery (type CR1225) is located on the backside of the master unit lid.

Looking for a different model? See all our Bilge Monitors here

Insatech Brannstrom Bilge Monitor 15Ppm 16 9

Simple to Install

The BilgMon 488 is compact and simple to install as a replacement for most old 15ppm alarms. The ship's crew can normally do it in less than an hour.

A competitive price and immediate availability makes it an attractive choice for any ship having trouble with the old 15ppm bilge alarm. Please, also find the Bilgmon 488 manual attached in the top under "Downloads". 

When the Bilgmon 488 measuring cell needs a re-calibration it is extremely easy to replace to a new cell, it can be done by the crew onboard and takes around 5 minutes.

We can supply you with both the Bilgemon 488, as well as the Bilgmon 488 measuring cell.

Contact us now and let's talk price!

Spare part list for the Bilgmon488

We deliver all the necessary spares for the Bilgmon488 quickly and cost effective using below product code:

If you need a new versions or have lost the BilgMon 488 software, please contact us for support.

Let us help you and contact us!

Ship Sailing
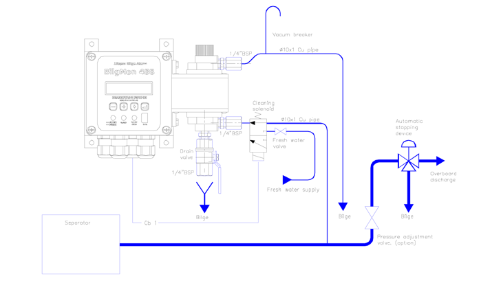
Brannstrom Bilge Monitor Tube Arrangement

Easily Retrofitted

The Bilgmon 488 can be easily retrofitted onto any type or model of OWS instead of the current 15 ppm alarm monitor. The 15 ppm monitor Bilgmon is developed and manufactured in a very compact and simplified function so it fits all applications and models/brands from other manufacturers.

The Bilgmon 488 comes in both 24V and 115/230V versions so when doing the retrofit you simply have to fit in the new piping and connections, all of which can be done without any hot work.

In case the automatic stopping device consists of a solenoid valve draining a lot of current, you have to consider that the relay contacts of the Bilgmon 488 are fitted with electronic fuses rated at 0,25A. In case 0,25A is not sufficient, you might have to install an external relay between the Bilgmon 488 alarm relay output and the ASD.

If this is what you need - contact us now!

Key Features of the Bilge Monitoring System

The BilgMon 488 15ppm bilge alarm has many beneficial features to offer you. Below we have mentioned a few of them:

  • User-friendly operation
  • Compact design, ideal for retrofitting
  • Available from Insatech warehouse
  • Budget-friendly
  • Simple crew-performed calibration through replacement
  • Affordable pricing.

 

If you have questions contact us now!

Mechanical Installation Bilgmon488 Brannstrom 1024 16X9

Understanding the 15 ppm Bilge Alarm Functionality

Effective bilge water management is crucial for environmental compliance and operational efficiency on ships, ensuring that discharged water meets regulatory standards. A 15ppm Bilge Alarm, such as the BilgMon 488, operates on the working principle of continuous oil content analysis using advanced sensor technology. It monitors and analyzes bilge water, automatically stopping discharge if oil levels exceed 15ppm.

Type-approved under IMO MEPC.107(49), it’s suitable for various applications and easy to retrofit.

Additionally, it is cost-effective to replace, readily available, and supports simple onboard calibration and maintenance.

Exactly what you need? Contact us here!

Insatech employee showing the Brannstrom BilgMon 488

BilgMon 488 Battery Replacement

How do you change the battery in your BilgMon 488 15 PPM Alarm?

The RTC backup battery is connected in parallel with a backup capacitor. As a result, the BilgMon488 can maintain its RTC functioning for a few hours even without the battery. The RTC battery (CR1225 type) is situated on the underside of the master unit lid (See the illustration below).

Procedure for replacing the battery:

  1. Disconnect the power source.
  2. Remove the lid of the master unit by loosening the 4 screws at the corners.
  3. Press the metal clip holding the battery and extract the battery from the socket.
  4. Insert a new CR1225 battery promptly, ideally within a few hours.

Need more help? Contact us now!

Battery Replacement Bilgmon488 Brannstrom
Sensor Unit Replacement BM488 1024X16x9

Calibrating your Bilgmon 488

The maintenance schedule for the Bilgmon 488 must address two items on the monitor:

  • The sensor unit’s calibration certificate, which expires after 5 years
  • A ‘calibration check’ on a regular basis.
Let’s dive into these two items in specific.

First, the calibration certificate validity is five years and the certificates expiration means that the sensor unit has to be replaced, which easily can be done by the crew onboard within five minutes. The replacement of the Bilgmon 488 sensor unit does not necessitate any modifications of the master unit.

More importantly, all new sensor units are accompanied with a new calibration certificate.

Second, there is certain requirements to the calibration check of the Bilgmon 488 monitor, which might be performed occasionally on the ship. This calibration check may be taking place within shorter intervals than the validity period of the calibration certificate. The calibration check of the Bilgmon 488 can take place in two of the following ways:

  1. Using the ‘Calibration Check Kit” to check the calibration (see explanation below).
  2. If the calibration check fails, it is recommended to thoroughly clean your sensor and go through your installation to check that no air bubbles or particles are measured. If the fault remains, there is high chance you must change the measuring cell.

If you have questions contact us now!

Help to perform the calibration check

To perform the calibration check of your Bilgmon 488 you must follow the next steps:

  1. Enter the ‘Check 40NTU cal’ submenu of the cleaning & test menu.
  2. Press enter to start the calibration test. However, the clean water valve won’t open.
  3. Close the clean water supply.
  4. Drain the sensor and fill it with 40NTU calibration fluid.
  5. On the display it has to show a value between 80% and 100% - if it does, then an ‘OK’ will be shown over the RETURN button.
  6. Press the RETURN button to set the ‘Cal checked’ date as shown in the ‘Sensor info’ submenu.

When you buy the kit, it contains the following items:

  • Cleaning brush
  • Syringe
  • Bottle 500 ml with lid
  • Bottle 50 ml, calibration check liquid.
  • Instructions
  • Cleaning cap

Buy the Calibration Check Kit here with us

Brannstrom BilgMon 488 installed on a ship

Introducing BilgMon 488 Version 5: The Next Generation in Bilge Monitoring

The new BilgMon 488 Version 5 is designed to set a new standard in precision, flexibility, and reliability. Version 5 builds upon its predecessor with significant enhancements tailored to meet the evolving demands of marine operations.

Key Innovations in Version 5:

  • Expanded Signal Capabilities: Includes a new optional flow sensing switch input for enhanced operational oversight.
  • Higher Current Handling: Upgraded ASD relay output accommodates higher current loads for robust performance.
  • Smart Maintenance Features: A sensor age reminder ensures timely upkeep, improving system reliability.
  • Customizable Outputs: Offers both analog (0-20mA or 4-20mA) and digital RS422 data outputs for versatile integration and precise reporting.

BilgMon 488 Version 5 is engineered to provide superior functionality, ensuring compliance with stringent environmental regulations while delivering unmatched performance. Whether for new installations or seamless upgrades from Version 4, this new model is the ideal solution for maintaining safe and efficient marine operations.

Need more information? Contact us now!

Brannstrom BilgMon 488 with calibration certificate

What’s New in BilgMon 488 Version 5?

Version 5 builds upon the strengths of Version 4 with several new features:

  • Added flow sensing input for improved operational monitoring.
  • Higher output current capacity, catering to more robust systems.
  • Innovative sensor age tracking, promoting proactive maintenance.
  • Configurable signal outputs for precise data transmission in analog or digital RS422 formats.

These improvements mark Version 5 as a superior choice for modern bilge alarm systems.

Any Questions? Contact us now!

Upgrading Made Easy: Transitioning to BilgMon 488 Version 5

Switching from Version 4 to Version 5 of BilgMon 488 is straightforward with these considerations:

  • Terminal Changes: While most terminals retain their functions, comparing wiring diagrams is essential due to changes in numbering.
  • Compatibility: Ensure sensor units match the new master unit specifications (e.g., black, blue, or silver units).
  • Optional Flow Switch: Utilize the new flow switch input for enhanced functionality, if applicable.

With careful planning, upgrading to Version 5 maximizes system capabilities and future-proofs your operations.

If you have questions contact us now!

Mechanical Installation Bilgmon488 Brannstrom 1024 16X9

Use a Flow Switch with the new Version 5

The optional flow sensing switch for the BilgMon 488 is a valuable addition, providing a critical layer of protection to monitor sample flow, prevent accidental pollution, and ensure compliance with MARPOL regulations. However, only the latest BilgMon 488 Version 5 is designed to fully integrate this advanced feature, making it the ideal choice for modern bilge monitoring systems.

Brannstrom BilgMon 488 with Flow Switch

Why Choose Version 5 for Flow Switch Integration?

Dedicated Signal Input: Version 5 includes a specific input for the flow sensing switch. This ensures flow alarms are treated as critical alerts, displaying "No Flow" on the screen and logging the issue for enhanced compliance and monitoring.

Advanced Monitoring Accuracy: Version 5 accurately detects low-flow situations without compromising the proper logging of other system operations, such as separator activity.

Seamless System Integration: The flow switch integrates effortlessly with Version 5, eliminating the compromises required with older versions and streamlining installation.

Upgrading to the new version of the BilgMon 488, Version 5, ensures full compatibility, precise data accuracy, and improved environmental protection.

Any Questions? Contact us now!

The Benefits of Using a Flow Switch

Installed in the sample flow loop, ideally in the drain line, the flow switch effectively detects blockages or tampering, ensuring safe and compliant operations by:

  • Preventing accidental oil discharge.
  • Protecting the environment.
  • Maintaining operational safety.

With models tailored to specific flow rates and a robust, clog-resistant design, the flow switch is an essential component for reliable and efficient bilge water monitoring.

You can read more about the flow switch here.

Read more about the Flow Switch here

Flow Switch 1 Brannstrom 1024 16X9
Big containership sailing

Stay Compliant: Ensure Local Alarm Integration for Oily Water Monitors

Industry standards require that oil content monitor (OCM) alarms be either locally displayed or integrated into the engine room alarm system for proper monitoring. The Bilgmon Version 5 ensures reliable operation with a built-in display and an integrated flow switch, providing immediate alerts in case of system failure.

On the latest BilgMon 488 master unit, the flow alarm is treated like any other alarm (e.g., high oil content or malfunction), displaying “No flow” on the screen and recording it in the log for compliance tracking.

Any Questions? Contact us now!

Rules and Regulations for the 15 ppm Bilge Alarms

According to MARPOL Annex I, ships of 400 gross tonnage and above must be fitted with a bilge water separator, and on ships of 10.000 gross tonnage and above the bilge water separator must additionally be fitted with a 15 ppm bilge alarm.

However, ships between 400 and 10.000 gross tonnage are also required to have the 15ppm alarm in order to be allowed to operate the bilge water separator, when the ship is in one of the following "Special Areas" as defined by MARPOL:

  • The Mediterranean Sea
  • The Black Sea
  • The Baltic Sea and the North West European waters
  • The Red Sea and the Gulf of Aden
  • The Arabian Gulf
  • The Oman area of the Arabian Sea.

For details see Reg.14 & 15 of MARPOL Annex I (Consolidated Edition 2006).

Compliance with IMO MEPC.107(49) Regulations

Ships built before 2005 may operate with equipment meeting the requirements of older IMO Rules, but ships built in 2005 and later must be fitted with bilge separators and 15ppm bilge alarms type approved According to MEPC.107(49).

For details see paragraph 1.3 of MEPC.107(49).

 

AMSA PSC procedure

AMSA’s (Australian Maritime Safety Authority) Port State Control Officers (PSCOs) inspect oily-water separators, filtering equipment, and alarms per Resolution A.1185(33). Testing ensures that effluent samples flow correctly to the 15ppm bilge alarm and that the automatic stopping device activates when oil content exceeds 15ppm. Failure to meet MEPC.107(49) can result in non-compliance and vessel detention.

Do You want to learn more? Read more here.

Need more information? Contact us now!

Brannstrom Bilgmon 488 Unit 1X1

How is The Construction of the BilgMon 488?

The BilgMon488 comprises two primary components:

  • The MASTER unit (enclosure with LCD, buttons, and LEDs)
  • The SENSOR unit (enclosure with pipe fittings).

The MASTER unit houses all electronics for controlling and storing data for the bilge alarm. The main memory, which logs bilge alarm events, is mounted in the lid of the MASTER housing.

The SENSOR unit contains electronics for measuring the sample stream and holds the measurement calibration data. Communication with the MASTER unit is wireless, so the SENSOR unit is hermetically sealed and should not be opened.

Any Questions? Contact us now!

How Do You Maintain the BilgMon 488?

We have already addressed the maintenance schedule above concerning the calibration certificate of the sensor (5 years) and a regularly calibration check (see the paragraph: "Calibrating your Bilgmon 488".
So, always include a verification of the expiry date of the factory-issued calibration certificate in your maintenance of the BilgMon 488.

The BilgMon488 can be configured to autoflush. This function causes the sensor tube to be flushed with clean water at specified intervals set in the settings menu. Autoflush operates only when the device is in the main menu and not actively monitoring or doing an analysis.

For cleaning the measurement unit, use a soft bottle brush and mild detergent. Be cautious with the glass tube inside the SENSOR unit—avoid any tools or substances that could scratch or damage the glass, such as metal objects. If the glass tube is coated with rust or similar deposits, use a low-concentration acid like hydrochloric acid, ensuring proper rinsing and protection for your eyes, skin, and airways when handling acidic substances.

If you have questions contact us now!

Mechanical Installation Bilgmon488 Brannstrom 1024 16X9

How Do You Run a Simulation?

Moreover, you can easily run a simulation, where you via the simulation menu can simulate the PPM (parts per million) input from the sensor unit and the separator status to ensure the unit is installed correctly and responds accurately to different oil content measurements.

Simulated events are recorded in the log, starting with a SIM_ON event and ending with a SIM_OFF event.

To access this menu, the BilgMon488 must be in POWER mode, meaning the unit is powered on but the separator is not running.

Read more about the simulation mode available in the manual here.

If this is what you need - contact us now!

Get in Touch with Our Experts

Insatech Medarbejdere Website MSR
For technical questions

Martin Søvind Jensen


Tel: +45 2761 4502

Email: Marine@insatech.com

Write to Martin

Test Af Websitebillede FREJ ANAN HNI
For commercial inquiries

Our team of Sales Specialists


Tel.: +45 5537 2095

Email: quotes@insatech.com

 

Contact us now

We Deliver Directly to End Customers, Resellers, and Agents – Globally

At Insatech, we are proud to offer our high-quality products to all customers worldwide. Whether you’re an end customer, a reseller, or an agent, you can purchase directly from us.

By choosing us, you gain direct access to all our products, eliminating the need for intermediaries. Our global distribution possibilities ensure fast and reliable delivery to your doorstep, wherever you are.

We strive to make it easy for you as an end consumer to find the products you are looking for while supporting agents and resellers looking to grow their business. Whether you’re buying for your use or resale, we’re here to meet your needs.

Discover how simple it is to work directly with a trusted global distributor – shop with confidence at Insatech today!

Contact us here

Brannstrom Sweden

 

Why We Offer Brannstrom Products

Insatech offers Brannstrom solutions for their engineering precision, durability, and proven compliance with strict environmental standards. With full in-house design and manufacturing, Brannstrom delivers monitoring systems tailored to specific operational needs - for example the 15ppm bilge alarm type BILGMON 488

These solutions enable reliable performance and regulatory compliance across marine and industrial applications.

 

Bilge Alarm Tailored to Your Application

Brannstrom has a long tradition of developing application-specific systems, engineered in close collaboration with clients and tailored to their exact requirements - drawing on decades of design and development experience.

See all Brannstrom products here

Brannstrom Bm488 Cell
Specifications
Range

0...30 ppm

Resolution

0.1 ppm

Accuracy

According to IMO MEPC.107(49)

Response time

< 3 sec

Alarms
  • Alarm 1 (valve control) delay: 0-10 sec user adjustable
  • Alarm 2 (annunciation) delay: 0-600 sec user adjustable
  • Alarm points 1 and 2: 1-15 ppm user adjustable
  • Alarm hysteresis: 0.5 ppm (below alarm point)
Data storage and retrieval
  • Calibration storage: Stored in sensor housing
  • IMO required data: Stored in BilgMon488 main housing
    (sensor housing may be replaced with data remaining on board)
  • IMO required data retrieval: Via LCD display or USB
Output
  • 0...20 mA
  • 4...20 mA
Communications

USB serial communication (separate cable and software)

Product Specification and manuals

  • Data Sheet - BilgMon488 Bilge Monitor - Brannstrom
    English | pdf
  • Owners Manual - BilgMon488 Bilge Monitor - Brannstrom
    English | pdf
  • Article - BilgMon488 Bilge Monitor - Brannstrom
    English | pdf
  • Article - BilgMon488 Bilge Monitor- replacing old master units - Brannstrom
    English | pdf
  • Data Sheet- BilgMon488 flow switch - Brannstrom
    English | pdf
  • Brochure - BilgMon488 flow switch - Brannstrom
    English | pdf

Instruction manuals: Older versions

  • BilgMon488 Instruction Manual vT
    English | pdf

Didn't you find what you were looking for? 

If you are looking for some specific material, please write to us. Then we will try to find it for you, and send it as soon as possible.

Fill out the contact form 

Consent for storing of submitted data *


This site is protected by reCAPTCHA and the Google Privacy Policy and Terms of Service apply.

To top

Search