Insatech logo
Flow Switch Brannstrom 1024 Square

Flow Switch BilgMon 488 – Optional Sample Flow Monitoring

The flow switch from Brannstrom for the BilgMon 488 15 PPM alarm help you ensure operational safety and compliance. The flow switch is designed to monitor sample flow and prevent accidental pollution. It enhances reliability and safeguards marine operations and is ideal for integration into the BilgMon 488 bilge alarm system.

The flow switch gives you:

  • Enhanced pollution prevention
  • Reliable low-flow detection
  • Easy system integration
  • High-quality performance.

We deliver directly and globally to end-users, agents, and resellers.
Contact us at quotes@insatech.com.

Get a quote

Protect Your Operations with Reliable Low-Flow Detection

The flow switch ensures safe and compliant operations by:

  • Detecting low sample flow: Prevents accidental oil discharge and protects the environment.
  • Signaling system alerts: Activates the 15ppm bilge alarm or Automatic Stopping Device for immediate action.
  • Ensuring compliance: Meets MARPOL regulations for pollution prevention.
  • Handling tough conditions: Designed to resist blockages, tampering, and clogging from oil or particles.

With a durable design and compatibility with both new and legacy systems, the flow switch is a reliable solution for safe and efficient marine operations.

Brannstrom BilgMon 488 with Flow Switch

Your Benefits: Safety, Compliance, and Reliability

The flow switch offers a range of key benefits for customers, making it an invaluable addition to any bilge alarm system. We have listed some of them below:

  • Enhanced pollution prevention: Detects low sample flow to prevent accidental oil discharge.
  • Regulatory compliance: Meets MARPOL Annex I and IMO Resolution MEPC.107(49) standards.
  • Reliable performance: Resists clogging from oil and solid particles, even in tough conditions.
  • Seamless integration: Compatible with both new and older bilge alarm systems.
  • Tampering prevention: Detects system blockages and unauthorized modifications.
  • Operational reliability: Reduces downtime and safeguards your investment.
  • Cost-effective and sustainable: Improves safety while lowering long-term maintenance costs.

Any Questions? Contact us now!

Ensure Compliance with Regulations

IMO MEPC.107(49) Regulations

The flow switch complies with MARPOL Annex I regulations and IMO Resolution MEPC.107(49), which govern pollution prevention equipment for machinery spaces of ships. These international standards ensure that the switch helps prevent oil discharges and supports environmentally responsible operations.

Installing a compliant flow switch safeguards your system against regulatory violations while promoting eco-friendly practices.

For details see paragraph 1.3 of MEPC.107(49).

AMSA PSC procedure

AMSA’s (Australian Maritime Safety Authority) Port State Control Officers (PSCOs) inspect oily-water separators, filtering equipment, and alarms per Resolution A.1185(33). Testing ensures that effluent samples flow correctly to the 15ppm bilge alarm and that the automatic stopping device activates when oil content exceeds 15ppm. Failure to meet MEPC.107(49) can result in non-compliance and vessel detention.

Do You want to learn more? Read more here.

 

If you have questions contact us now!

Flow Switch 1 Brannstrom 1024 16X9
Big containership sailing

Ensure Local Alarm Integration and Regulatory Adherence

Industry standards require that oil content monitor (OCM) alarms be either locally displayed or integrated into the engine room alarm system for proper monitoring. The Bilgmon Version 5 ensures reliable operation with a built-in display and an integrated flow switch, providing immediate alerts in case of system failure.

On the latest BilgMon 488 master unit, the flow alarm is treated like any other alarm (e.g., high oil content or malfunction), displaying “No flow” on the screen and recording it in the log for compliance tracking.

Any Questions? Contact us now!

Step-by-Step Guide to Installing the Flow Switch

Prepare for Installation

  • Ensure compatibility with your existing bilge alarm system
  • Gather the necessary tools and the flow switch model suited to your system.

 

Choose the Installation Location

  • Identify a suitable spot in the sample flow loop
  • For optimal performance, install the flow switch in the drain line to effectively detect tampering or blockages.

 

Follow Manufacturer’s Guidelines

  • Refer to the installation instructions provided by the manufacturer for specific steps and recommendations.

 

Secure the Flow Switch

  • Attach the flow switch to the chosen location using the recommended mounting method
  • Ensure all connections are secure and free from leaks.

 

Test the Installation

  • Power on the system and verify that the flow switch functions correctly
  • Check for proper signal transmission to the bilge alarm or Automatic Stopping Device.

 

Seek Professional Assistance if Needed

  • For older systems or complex setups, contact us here to ensure proper integration and functionality.

Need more information? Contact us now!

Flow Switch 3 Brannstrom 1024 16X9

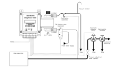
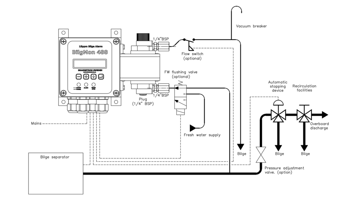
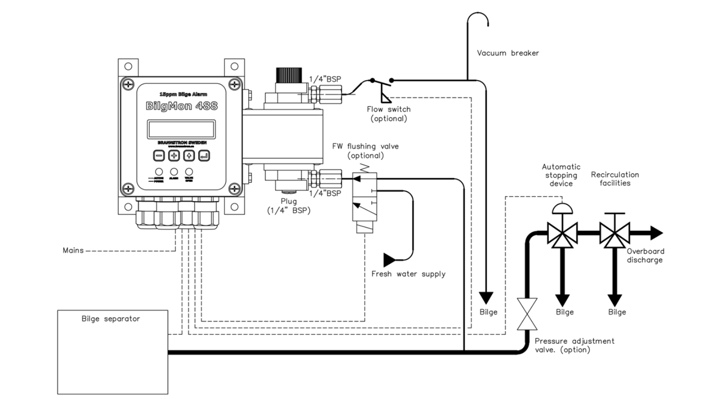
Where Do You Install the Flow Switch?

The flow switch is versatile and can be installed anywhere in the 15ppm bilge alarm sample flow loop. However, positioning it in the drain line is ideal, as it also detects if the sample pipe is tampered with or disconnected. This strategic placement enhances safety by ensuring accurate monitoring and quick responses to flow issues.

On the drawing here, you can see where the flow switch can be installed.

Any Questions? Contact us now!

Explore the Different Flow Switch Models for Every Need

Flow switches come in a range of models tailored to various flow rates and system needs. Popular options include the BFS-2 (0.4–2.0 lpm) and BFS-5 (1.0–5.0 lpm), both known for reliability and resistance to clogging. Choosing the right model ensures accurate monitoring, even in environments with oil and solid particles, enhancing overall system performance.

If you have questions contact us now!

Flow Switch Brannstrom 1024 16X9

Connecting an Optional Flow Sensing Switch

For older 15ppm bilge alarms without a dedicated signal input for a flow sensing switch, you can utilize the "Separator Status" signal input. This input is typically used to record the operating status of the 15ppm bilge separator and to activate the Automatic Stopping Device when necessary.

To connect the flow sensing switch:

Series Connection: Wire the flow sensing switch in series with the separator status signal. This configuration allows the Automatic Stopping Device to activate in low-flow situations, preventing accidental pollution.

Considerations: Note that this setup may result in incorrect logging of the separator's operation, as it will show the separator as running even if the water is redirected to the bilge.

For optimal performance and accurate logging:

Upgrade Recommendation: Replace the older bilge alarm with a newer version, such as the BilgMon 488 master unit. The updated unit features a dedicated signal input for the flow switch and treats flow alarms like other critical alerts (e.g., high oil content or malfunctions). It also displays “No Flow” on the screen and logs it for better monitoring and compliance.

This ensures both enhanced safety and accurate system logging.

Need more information? Contact us now!

Flow Switch Dimensioner Brannstrom 1024 16X9

Optional Upgrades for Enhanced Safety

Adding a flow switch offers optional protection against accidental pollution. While not mandatory, it is a valuable improvement for preventing blockages and tampering. This small addition can significantly enhance system safety, providing peace of mind for operators. With its robust design and functionality, the flow switch is an investment in safer and more reliable operations.

Any Questions? Contact us now!

What’s New in BilgMon 488 Version 5?

The new BilgMon 488 Version 5 is designed to set a new standard in precision, flexibility, and reliability. Version 5 builds upon the strengths of Version 4 with several new features:

  • Added flow sensing input for improved operational monitoring.
  • Higher output current capacity, catering to more robust systems.
  • Innovative sensor age tracking, promoting proactive maintenance.
  • Configurable signal outputs for precise data transmission in analog or digital RS422 formats.

These improvements mark Version 5 as a superior choice for modern bilge alarm systems.

Brannstrom BilgMon 488 with Flow Switch
Flow Switch Brannstrom 1024 16X9 Flow Switch 1 Brannstrom 1024 16X9 Brannstrom BilgMon 488 with Flow Switch Flow Switch Dimensioner Brannstrom 1024 16X9 Flow Switch 3 Brannstrom 1024 16X9
Flow Switch Brannstrom 1024 16X9
Flow Switch 1 Brannstrom 1024 16X9
Brannstrom BilgMon 488 with Flow Switch
Flow Switch Dimensioner Brannstrom 1024 16X9
Flow Switch 3 Brannstrom 1024 16X9

Get in Touch with Our Experts

Insatech Medarbejdere Website MSR
For technical questions

Martin Søvind Jensen


Tel: +45 2761 4502

Email: Marine@insatech.com

Write to Martin

Test Af Websitebillede FREJ ANAN HNI
For commercial inquiries

Our team of Sales Specialists


Tel.: +45 5537 2095

Email: quotes@insatech.com

 

Contact us now

We Deliver Directly to End Customers, Resellers, and Agents – Globally

At Insatech, we are proud to offer our high-quality products to all customers worldwide. Whether you’re an end customer, a reseller, or an agent, you can purchase directly from us.

By choosing us, you gain direct access to all our products, eliminating the need for intermediaries. Our global distribution possibilities ensure fast and reliable delivery to your doorstep, wherever you are.

We strive to make it easy for you as an end consumer to find the products you are looking for while supporting agents and resellers looking to grow their business. Whether you’re buying for your use or resale, we’re here to meet your needs.

Discover how simple it is to work directly with a trusted global distributor – shop with confidence at Insatech today!

Contact us here

Brannstrom Sweden

 

Why We Offer Brannstrom Products

Insatech offers Brannstrom solutions for their engineering precision, durability, and proven compliance with strict environmental standards. With full in-house design and manufacturing, Brannstrom delivers monitoring systems tailored to specific operational needs - for example the 15ppm bilge alarm type BILGMON 488

These solutions enable reliable performance and regulatory compliance across marine and industrial applications.

 

Bilge Alarm Tailored to Your Application

Brannstrom has a long tradition of developing application-specific systems, engineered in close collaboration with clients and tailored to their exact requirements - drawing on decades of design and development experience.

See all Brannstrom products here

Brannstrom Bm488 Cell
Technical Specifications BFS-10-N (without indication)
Measuring principle

Variable aera flow meter

Materials

Brass Version:

  • Var. aera flow meter: brass
  • Spring: 1.4571
  • Spring size G1": ----
  • Fitting: brass, nickel-plated
  • Housing: brass, nickel-plated
  • Magnets: ferrite

Stainless Steel Version:

  • Var. aera flow meter: 1.4571
  • Spring: 1.4571
  • Spring size G1": 1.4571
  • Fitting: 1.4571
  • Housing: 1.4571
  • Magnets: ferrite
Operating pressure

Brass:

  • BFS-10-N G1/4: 300 bar
  • BFS-10-N G1/2: 300 bar
  • BFS-10-N G1: 250 bar

MS GL:

  • BFS-10-N G1/4: 100 bar
  • BFS-10-N G1/2:100 bar
  • BFS-10-N G1: 100 bar

SS:

  • BFS-10-N G1/4: 350 bar
  • BFS-10-N G1/2: 350 bar
  • BFS-10-N G1: 300 bar

Pressure drop:

  • BFS-10-N G1/4: 0,02...0,2 bar
  • BFS-10-N G1/2: 0,02...0,3 bar
  • BFS-10-N G1: 0,02...0,4 bar
Operating temp.

100 °C (standard), 160 °C (option HT)

Accuracy

±10% f. s.

Electrical connection

plug acc. to DIN EN 175301-803 (DIN 43650C)

Contact rating

BFS10-N G1/4:

  • 200 V / 1 A / 20 VA (NO)
  • 200 V / 1 A / 20 VA (WE), SPDT

BFS-10-N G1/2:

  • 230 V / 3 A / 60 VA (NO)
  • 250 V / 1,5 A / 50 VA (WE), SPDT

BFS-10-N G1:

  • 250 V / 3 A / 100 VA (NO)
  • 250 V / 1,5 A / 50 VA (WE), SPDT
Protection class

IP65 (plug acc. to DIN EN 175301-803 former DIN 43650C), IP67 (with moulded cable)

Approvals

e.g. ATEX, GL, BV

Technical Specifications BFS-10-O (with optical indication)
Measuring principle

Variable aera flow meter

Materials

Brass Version:

  • Var. aera flow meter: brass
  • Spring: 1.4571
  • Fitting: brass, nickel-plated
  • Display Housing: alumin., anodized
  • Glass: Duran 50
  • Magnets: ferrite

Stainless Steel Version:

  • Var. aera flow meter: 1.4571
  • Spring: 1.4571
  • Fitting: 1.4571
  • Display Housing: alumin., anodized
  • Glass: Duran 50
  • Magnets: ferrite
Operating pressure

Brass:

  • BFS-10-N G1/4: 16 bar
  • BFS-10-N G1/2: 16 bar
  • BFS-10-N G1: 10 bar

SS:

  • BFS-10-N G1/4: 16 bar
  • BFS-10-N G1/2: 16 bar
  • BFS-10-N G1: 10 bar

Pressure drop:

  • BFS-10-N G1/4: 0,02...0,2 bar
  • BFS-10-N G1/2: 0,02...0,3 bar
  • BFS-10-N G1: 0,02...0,4 bar
Operating temp.

100 °C (standard), 160 °C (option HT)

Accuracy

±10% f. s.

Electrical connection

plug acc. to DIN EN 175301-803 (former DIN 43650C)

Contact rating

BFS10-N G1/4:

  • 200 V / 1 A / 20 VA (NO)
  • 200 V / 1 A / 20 VA (WE), SPDT

BFS-10-N G1/2:

  • 230 V / 3 A / 60 VA (NO)
  • 250 V / 1,5 A / 50 VA (WE), SPDT

BFS-10-N G1:

  • 250 V / 3 A / 100 VA (NO)
  • 250 V / 1,5 A / 50 VA (WE), SPDT
Protection class

IP65 (plug acc. to DIN EN 175301-803 former DIN 43650C), IP67 (with moulded cable)

Approvals

ATEX not available for version with optical indication

Specifications & Manuals

  • Data sheet - Flow Switch - BilgMon 488 - Brannstrom
    English | pdf
  • Brochure - Flow Switch - BilgMon 488 - Brannstrom
    English | pdf

Didn't you find what you were looking for? 

If you are looking for some specific material, please write to us. Then we will try to find it for you, and send it as soon as possible.

Fill out the contact form 

Consent for storing of submitted data *


This site is protected by reCAPTCHA and the Google Privacy Policy and Terms of Service apply.

To top

Search