Insatech logo
E Series Flomec 1024X16x9

Explosion Proof Totalizer & Flow Rate Indicator (E Series)

The Explosion-proof Monitor/ Totalizer in the E Series (E018) from Flomec gives you an enclosed space designed to be used in harsh and challenging applications. The robust design and ease of use are unmatched by any other explosion proof indicator in the market.

We deliver directly and globally to end-users, agents, and resellers.
Contact us at quotes@insatech.com.

Get a quote

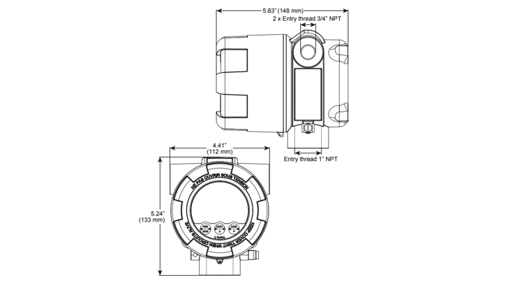
Typical application

The E018 is applicable in various settings beyond the environments, where it needs to be explosion proof. Moreover, it is possible to configurate the set-up according to your specific requirements. So, no matter how harsh or difficult an application you need the monitor/ totalizer from the E-series in – this is the safest choice.

Furthermore, the E018 includes several settings important for you. For example, K-factors, measurement units, signal selection etc. Even of the event of power failure, or worse, all settings are stored in an EEPROM memory and will not be lost.

E Series Flomec 1024X16x9

Easy-to-Operate and Long Life

  • Save time with the easy-to-operate through glass keypad as there is no need to remove the front cover or to arrange a work permit
  • Easy installation with the spacious chamber and plug and play connectors
  • Long life duration in extremely salty atmospheres (offshore) with heavy duty stainless steel Exd enclosure
  • Key information is immediately accessible as the display shows flow rate and total, as well as it measures units and a flow rate indicating speedometer.

Does it match your need - contact us here

The features included for you

The E Series Monitor/ Totalizer features:

  • Selectable on-screen engineering units; volumetric or mass
  • 7 digit flow rate / total and 11 digit accumulated total
  • 16 point linearization of the flow curve – with interpolation
  • Power options:
    • Loop powered, battery and 8 – 30V (dc)
    • Isolated, loop powered 4 – 20mA output according to linearized flow rate
  • Scaled pulse output according to linearized accumulated total
  • Ability to process all types of volumetric or mass flowmeter signals: Reed-switch, NAMUR, NPN/PNP pulse, Sine wave (coil), Active pulse signals. (0)4 – 20mA and 0 – 10V (dc) analog inputs are pending.
  • HART communication

Get more information here

E Series Flomec 1 1024X16x9

Functions and features

The flowrate/ totalizer model from the E-series is explosion proof microprocessor driven instrument designed to linearize the flowmeter’s flow curve and to show the flowrate, the total and the accumulated total.

The E018 has been designed with a focus on:

  • User-friendliness as the operation can be done through the glass without removing the cover
  • Good readings in full sunlight and darkness through a bright backlight
  • Mounting flexibility as the multiple solutions for sensor mounting, including 1” NPT or M25 bottom entry as well as suitable for wall or pipe mount applications
  • Ruggedness for harsh surrounding as it is not designed to be just explosion proof
  • Usability with wide operational temperature, high ingress protection rating, and international certification
  • Installation friendly design because of the spacious cabling area, plug and play cable connection, and easy removable electronic module
  • Aluminum enclosure with high quality industrial two component coating
  • Stainless steel 316L enclosure available for offshore application
  • Ability to process any type of sensor signal
  • Multiple power supply options to suit any application, including long-life battery supply
  • Configurable pulse and analog signal outputs and (optional) HART communication for configuring unit and monitoring process.

Get in Touch with Our Experts

Insatech Medarbejdere Website MSR
For technical questions

Martin Søvind Jensen


Tel: +45 2761 4502

Email: Marine@insatech.com

Write to Martin

Test Af Websitebillede FREJ ANAN HNI
For commercial inquiries

Our team of Sales Specialists


Tel.: +45 5537 2095

Email: quotes@insatech.com

 

Contact us now

We Deliver Directly to End Customers, Resellers, and Agents – Globally

At Insatech, we are proud to offer our high-quality products to all customers worldwide. Whether you’re an end customer, a reseller, or an agent, you can purchase directly from us.

By choosing us, you gain direct access to all our products, eliminating the need for intermediaries. Our global distribution possibilities ensure fast and reliable delivery to your doorstep, wherever you are.

We strive to make it easy for you as an end consumer to find the products you are looking for while supporting agents and resellers looking to grow their business. Whether you’re buying for your use or resale, we’re here to meet your needs.

Discover how simple it is to work directly with a trusted global distributor – shop with confidence at Insatech today!

Contact us here

Specifications
Display
  • Type: High intensity transreflective numeric and alpha-numeric LCD, UV resistant, with bright backlight.        Intensity can be adjusted via keypad.
  • Digits: Seven 0.47” (12 mm) and eleven 0.28” (7 mm) digits. Various symbols and measuring units.
  • Refresh rate: User definable: 8 times/s to 30 s.
  • Speedometer: To indicate the actual flow rate the bargraph runs from 0 to 100% in 20 blocks, each block is 5%.
Operating Temperature (Operational)

-40°F to +158°F (-40°C to +70°C)

Power Requirements

9 - 27V (dc). Power consumption maximum 4.2 Watt. Long life Lithium battery - lifetime depends upon settings and configuration - up to approximately 2 years.

Hazardous Area - Explosion Proof

ATEX Certification:

  • II 2 G Ex IIC T6 Gb
  • II 2 D Ex IIIC T85oC Db

IECEx Certification:

  • Ex d IIC T6 Gb
  • Ex tb IIIC T85oC Db

FM / CSA c-us Certification:

  • Explosion-proof for use in Class I, Division 1, Groups A, B, C, D
  • DIP (Dust-Ignition-proof): Class II, Division 1, Groups E, F and G. Class III, hazardous (classified) locations

Ambient to:

  • -40°F to +158°F (-40°C to +70°C)
Hazardous Area - Directives
  • EMC: Compliant ref. EN61326-1 and FCC 47 CFR part 15
  • Low voltage: Compliant ref. EN61010-1
Signal Input (Flowmeter)

Coil / sine wave (COIL-HI: 20mVpp or COIL-LO: 80mVpp - sensitivity selectable), NPN / PNP, open collector, reed switch, Namur, active pulse signals 8 - 12 and 24V (dc).

  • Frequency: Minimum oHz - maximum 7 kHz for total and flow rate. Maximum frequency depends on signal type and internal low-pass filter. E.g. reed switch with low-pass filter. Maximum frequency 120Hz.
  • K-Factor: 0.000010 - 9,999,999 with variable decimal position
  • Low-pass filter: Available for all pulse signals
External Reset Total

Function:

  • Terminal input to reset total remotely
  • If this terminal input is closed, the “clear total” function is disabled

Type:

  • Internally pulled-up switch contact - NPN

Duration:

  • Minimum pulse duration 100ms
Signal Output (Digital)
  • Function: Pulse output. Transmitting accumulated total
  • Frequency: Maximum 500Hz. Pulse length user definable between 1 ms up to 10 seconds
  • Type OT: One passive transistor output (NPN) - not isolated. 300mA - 50V @ 77oF (25oC)
Signal Output (Analog)
  • Function: Transmitting linearized flow rate
  • Accuracy: 12 bit. Error < 0.1%. Analog output signal can be scaled to any desired range.
  • Type AH: Galavanically isolated, loop powered 4-20mA output
Accumulated Total - 11 digits
  • Units / Decimals: According to selection for total
  • Note: Can not be reset to zero
Flow rate - 7 digits, 0 - 1 - 2 or 3 decimals
  • Units: mL, L, m3, Gallons, kg, Ton, lb, bl, cf, RND, ft3, scf, Nm3, Nl, igal - no units
  • Time units: /s - /min - /hr - /day

Downloads

  • Data Sheet - E-Series - Flomec
    English | pdf
  • Owners Manual - E-Series - Flomec
    English | pdf

Didn't you find what you were looking for? 

If you are looking for some specific material, please write to us. Then we will try to find it for you, and send it as soon as possible.

Fill out the contact form 

Consent for storing of submitted data *


This site is protected by reCAPTCHA and the Google Privacy Policy and Terms of Service apply.

To top

Search