Insatech logo
Insatech Siemens SITRANS LG250 Guided Wave Radar 7ML5881 1X1

SITRANS LG250

The SITRANS LG250 from Siemens is a radar particularly well-suited for level and interface measurement in the chemical, petrochemical, power, and general industries. It is a flexible solution that can be used in tanks, media separation, and ammonia applications.

The LG250 gives you several benefits:

  • High Accuracy
  • Flexible Applications
  • Robust Performance
  • User-Friendly Interface.

For sales or commercial inquiries please contact us at marine@insatech.com.

Contact us now

Elevate Your Measurement Accuracy with SITRANS LG250

The SITRANS LG250 is a state-of-the-art guided microwave radar level sensor, meticulously designed to excel in challenging industrial environments.

With its ability to handle aggressive liquids and complex media conditions, the LG250 is perfect for applications in the chemical, petrochemical, power, and general industries. Utilizing guided wave technology, it provides precise level and interface measurement even in the presence of foam, steam, and media buildup.

Capable of measuring levels up to 75 meters, it operates efficiently under extreme temperature and pressure conditions, making it a versatile choice for a variety of storage and processing applications.

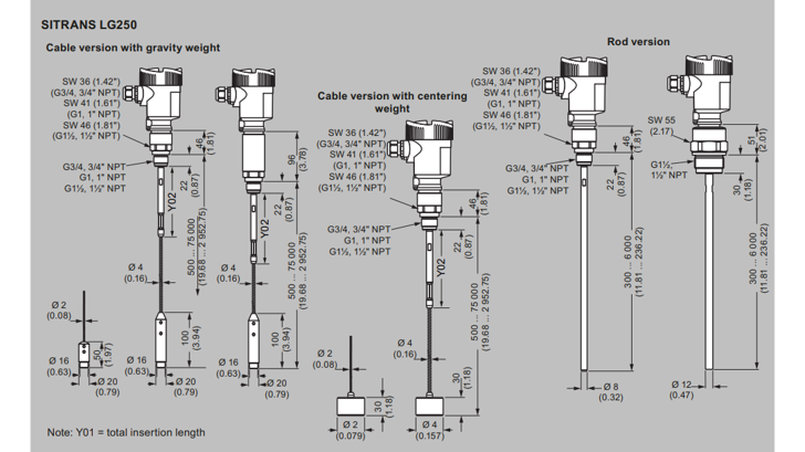
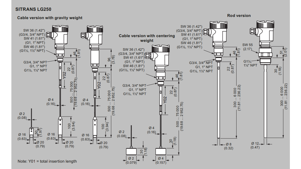
LG250 Diemensions Siemens 1024 16X9

Key Features of the SITRANS LG250

The LG250 series has several benefits, some of which we have listed for you below:

  • Continuous Level Measurement: Suitable for liquids and interfaces.
  • Guided Microwave Radar: Utilizes cable or rod probes for accurate readings.
  • Measurement Range: Can measure up to 75 m.
  • Temperature Range: Operates between -40 to +200 °C.
  • Pressure Resistance: Handles pressures up to 100 bar (with borosilicate glass feedthrough).
  • High Accuracy: Achieves accuracy of ±2 mm.
  • Advanced Diagnostics: Offers safety and performance monitoring.
  • Versatile Applications: Effective in chemical, petrochemical, power, and general industries.
  • Resistant to Interference: Handles foam, steam, condensation, and media buildup.
  • Easy Setup: Features a simple, menu-driven display.
  • Modular Design: Allows for easy maintenance and field-replaceable probes.
  • Suitable for API 2350: Complies with industry standards.

Exactly what you need? Contact us now!

Diverse Applications of the SITRANS LG250

The SITRANS LG250 is engineered to excel in various industrial applications, providing reliable level and interface measurement in challenging environments. Its guided microwave radar technology is particularly effective in handling aggressive liquids and difficult process conditions, making it an ideal choice for industries such as chemical, petrochemical, and power generation. The LG250's flexibility allows it to be utilized in storage tanks, media separation processes, and even ammonia applications, ensuring accurate and consistent performance. With the capability to measure up to 75 meters, along with its resilience to factors like foam formation, steam, and media buildup, the LG250 is well-suited for a wide range of operational settings, delivering precision and dependability in every measurement.

Key Applications:

  • Marine Industry
  • Tank Level Measurement
  • Media Separation
  • Ammonia Applications
  • Foam and Steam Conditions
  • Turbulent Liquids
  • High Pressure and Temperature
  • Chemical and Petrochemical Industries
  • Power and General Industries.

Need more information? Contact us here

169 Marineforsidebillede

Versatile Solutions for Diverse Applications

The flexibility of the SITRANS LG250 extends beyond its robust design, as it can be tailored to meet specific application requirements. With options for cable or rod probes, the LG250 is suitable for a wide range of liquid measurement scenarios, ensuring reliable performance whether in storage tanks or during media separation processes.

Its advanced diagnostic features provide a high level of safety and reliability, while a simple, menu-driven display allows for easy setup and operation. The LG250’s modular design ensures straightforward maintenance, and its resistance to media buildup makes it an ideal solution for industries where product consistency and accuracy are paramount.

By choosing the SITRANS LG250, customers can count on precise measurements and enhanced operational efficiency across their applications.

LG Series Configuration 1 Siemens 1024 16X9

Easy Configuration and Reliable Performance of the SITRANS LG250

The SITRANS LG250 is a highly effective level sensor designed for continuous level and interface measurement in liquid applications. Utilizing guided high-frequency microwave pulses, the sensor operates by directing these impulses along a steel cable or rod. When the pulses reach the product surface, they reflect back to the sensor, which calculates the running time and outputs the level measurement. For accurate interface detection, the LG250 requires specific conditions for the upper medium, including a non-conductive composition with a minimum dielectric constant of 1.6. The upper medium must also be stable, homogeneous, and free from stratification or foam. Meanwhile, the lower medium should have a dielectric constant at least 10 times greater than that of the upper medium. The sensor is preset for level measurement but allows for customizable output settings for interface measurement, making it a versatile tool in various industrial environments.

Contact us now and let's talk price!

Installation Guidelines for the SITRANS LG250

Proper installation of the SITRANS LG250 is crucial for ensuring accurate level and interface measurements. It is essential to mount the sensor at least 300 mm (12 in) away from vessel installations or walls, and 500 mm (19.7 in) for non-metallic vessels, to prevent interference during operation. In conical-bottom vessels, centering the sensor can enhance measurement accuracy down to the lowest point. For plastic or glass vessels, using a metallic surface, such as a flange or a metal sheet beneath the fitting, is necessary to enable effective microwave signal transmission. Additionally, avoiding the use of sockets when possible will help maintain measurement precision. Care should be taken to ensure the probe does not touch any vessel walls and that any bends in the cable are minimized, as these factors can lead to measurement errors. Following these installation guidelines will help maximize the performance of the SITRANS LG250 in various applications.

Need our help? Contact us here!

LG Series Siemens 1024 16X9
Insatech Siemens SITRANS LG250 Guided Wave Radar 7ML5881 16 9 Insatech Siemens SITRANS LG Series Guided Wave Radar 16 9 LG250 Diemensions Siemens 1024 16X9 LG Series Siemens 1024 16X9 LG Series Configuration 1 Siemens 1024 16X9 LG Series Configuration Siemens 1024 16X9
Insatech Siemens SITRANS LG250 Guided Wave Radar 7ML5881 16 9
Insatech Siemens SITRANS LG Series Guided Wave Radar 16 9
LG250 Diemensions Siemens 1024 16X9
LG Series Siemens 1024 16X9
LG Series Configuration 1 Siemens 1024 16X9
LG Series Configuration Siemens 1024 16X9

Choosing the Right SITRANS LG Model for Your Application

The SITRANS LG series from Siemens offers a comprehensive range of guided wave radar transmitters tailored for different industrial needs, providing solutions for level, interface, and volume measurement across various applications. Each model is designed to meet specific process requirements, ensuring reliable performance even under challenging conditions.

SITRANS LG240:

  • Designed for hygienic and aggressive chemical applications
  • Wide range of probe materials available
  • Suitable for highly corrosive environments

SITRANS LG250:

  • Highly flexible for liquid level and interface measurement
  • Versatile solution for storage, material separation, and ammonia applications

SITRANS LG260:

  • Ideal for medium-range solids measurement
  • Suitable for materials like grains, plastics, and cement

SITRANS LG270:

  • Configurable for extreme temperature and pressure conditions
  • Applicable in harsh environments such as chemical, HPI, and energy industries
  • Perfect for LPG gas tanks, steam boilers, and distillation columns

Each model in the SITRANS LG series is tailored to handle the unique challenges of its target application, offering versatility and reliability in demanding industrial processes.

LG-Series comes in four models

Get in Touch with Our Experts

Insatech Medarbejdere Website MSR
For technical questions

Martin Søvind Jensen


Tel: +45 2761 4502

Email: Marine@insatech.com

Write to Martin

Test Af Websitebillede FREJ ANAN HNI
For commercial inquiries

Our team of Sales Specialists


Tel.: +45 5537 2095

Email: quotes@insatech.com

 

Contact us now

Technical Specifications
Measuring range - Distance

75 m

Process temperature

-40...+200 °C 

Process pressure

-1...+100 bar

Accuracy

± 2 mm

Output
  • 4...20 mA / HART
  • Modbus RTU
  • Modbus ASCII
  • PROFIBUS PA
  • FOUNDATION Fieldbus
  • SIMATIC PDM
  • DTM / FDT for PACTware
  • Fieldcare
Protection rating
  • Type 4 / NEMA 4, IP65
  • Plastic housing: IP66 / IP67
  • Aluminum and stainless steel housing: IP66 / IP68
Ambient temperature

-40...+80 °C

Materials, wetted parts
  • PFA
  • 316L
  • Alloy C22 (2.4602)
  • Alloy 400 (2.4360)
  • Duplex (1.4462)
Gasket material
  • EPDM
  • FKM
  • FFKM
  • Silicone FEP coated
  • Borosilicate glass
Materials, housing
  • Plastic
  • Aluminum
  • Stainless steel

See the datasheet for more information

Process connections

Thread and flange

See the datasheet for more information

Specifications & Manuals

  • Manual - Siemens SITRANS LG250 Operating Instructions 4...20 mA HART to-wire
    English | pdf
  • Technical Specifications - Siemens SITRANS LG250 Datasheet (LG series)
    English | pdf
  • Siemens Level Guide
    English | pdf

Didn't you find what you were looking for? 

If you are looking for some specific material, please write to us. Then we will try to find it for you, and send it as soon as possible.

Fill out the contact form 

Consent for storing of submitted data *


This site is protected by reCAPTCHA and the Google Privacy Policy and Terms of Service apply.

To top

Search