Insatech logo
SIPART PS2 Siemens 1024 Square

SIPART PS2

The SIPART PS2 is Siemens' advanced electropneumatic positioner designed for precise control of pneumatic valves. Offering exceptional performance and versatility, it supports single- and double-acting actuators across various industries. Its intelligent features, including diagnostic capabilities and energy-efficient operation, ensure optimal process control and reduced maintenance costs.

The PS2 gives you multiple benefits:

  • Easy installation
  • Minimal air consumption
  • High control precision
  • Enhanced safety functions.

For sales or commercial inquiries please contact us at marine@insatech.com.

Contact ud now

Cut Costs and Boost Efficiency with SIPART PS2

The SIPART PS2 offers customers a combination of reliability, efficiency, and advanced diagnostics, ensuring seamless operation in industrial valve applications. With features like automatic commissioning, precise control performance, and minimal air consumption, it optimizes both installation and operational costs. The device supports versatile safety functions such as "Fail Safe," "Fail to Open," and "Fail in Place," enhancing system safety under diverse conditions.

Moreover, its extensive diagnostic capabilities—including tests for valve performance, leakage monitoring, and predictive maintenance—allow customers to maintain system integrity while reducing downtime. The rugged design, available in various enclosure materials, ensures durability even in harsh environments, making it suitable for industries such as petrochemical, power, and water treatment.

SIPART PS2 Dimensions Flameproof Enclosure Siemens 1024 16X9

Key Features of the SIPART PS2

The SIPART PS2 stands out as a state-of-the-art positioner designed to deliver precision, efficiency, and adaptability for industrial valve operations. Its advanced features cater to diverse applications while ensuring easy setup, reliable performance, and robust safety measures. From automatic commissioning to intelligent diagnostics, the SIPART PS2 integrates seamlessly into various industries, offering long-term reliability and cost-effective operation.

The PS2 has several benefits, some of which we have listed for you below:

  • Automatic Commissioning: Simplifies setup with self-calibration and configuration.
  • Exceptional Control Performance: Delivers precise valve positioning for optimized process control.
  • Low Air Consumption: Reduces operational costs during stationary operations.
  • Integrated Safety Functions: Includes "Fail Safe," "Fail to Open," and "Fail in Place" modes for enhanced system protection.
  • Versatile Enclosures: Available in polycarbonate, aluminum, or stainless steel for diverse environmental conditions.
  • Comprehensive Diagnostics: Enables full and partial stroke tests, valve signature analysis, leakage monitoring, and predictive maintenance.
  • Support for Multiple Communication Protocols: Compatible with HART, PROFIBUS PA, and FOUNDATION Fieldbus.
  • Wide Compatibility: Designed for single-acting, double-acting, linear, and part-turn actuators.

This feature-rich device ensures your process operations are efficient, safe, and future-ready.

Exactly what you need? Contact us now!

Broad Industry Applications: Unlock the Potential of the SIPART PS2

The SIPART PS2 offers unparalleled versatility, making it a preferred choice for a wide range of industrial applications. Its adaptability to diverse valve types, robust design, and advanced diagnostic capabilities ensure reliable performance in even the most demanding environments. Whether in chemical plants, water treatment facilities, or oil and gas operations, the SIPART PS2 seamlessly integrates into your processes, improving efficiency, safety, and operational uptime.

Key applications:

  • Chemical and Petrochemical Industries: Controls valves in processes involving corrosive substances and high pressures.
  • Oil and Gas Industry: Ensures reliable operation in upstream, midstream, and downstream applications.
  • Water and Wastewater Management: Regulates flow in treatment plants, ensuring efficiency and compliance.
  • Power Generation: Manages valves in steam, gas, and other energy systems for optimal performance.
  • Pharmaceutical Manufacturing: Provides precision in processes requiring strict hygiene and accuracy.
  • Food and Beverage Industry: Controls flow in clean and sanitary production environments.
  • Paper and Pulp Industry: Handles valves in harsh and abrasive conditions typical of pulp production.

The SIPART PS2’s broad range of applications ensures it meets the needs of industries requiring robust, adaptable, and high-performance valve positioners.

Need more information? Contact us here

169 Marineforsidebillede

Boost Efficiency and Cut Costs

The SIPART PS2 is more than just a valve positioner—it’s a smart solution that enhances efficiency, reliability, and safety in industrial processes. With its advanced diagnostics, it detects and predicts valve maintenance needs, reducing unplanned downtime and ensuring smooth operations. The device’s low air consumption minimizes energy costs, while its versatile design supports various valve types and challenging environments, including extreme temperatures, high vibrations, and hazardous areas.

Additionally, the SIPART PS2 integrates safety functions like "Fail Safe" and "Partial Stroke Tests" to protect critical processes, making it an ideal choice for industries seeking long-term reliability and cost-effective performance.

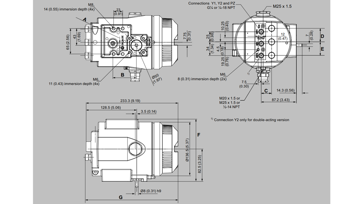
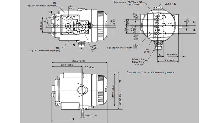
SIPART PS2 Design Siemens 1024 16X9

Flexible and Expandable: Tailored to Fit Your Valve Applications

The SIPART PS2 digital positioner is meticulously designed to deliver exceptional functionality and adaptability. Its construction includes a base plate with a lid, available with or without an inspection window, depending on the variant. It houses advanced electronics with screw-type terminals, supporting 4 to 20 mA, 4 to 20 mA with HART, PROFIBUS PA, and FOUNDATION Fieldbus (FF) communication protocols. Position feedback is achieved via a potentiometer or a non-contacting sensor (NCS). A pneumatic block is incorporated, with connections for supply air and actuating pressure conveniently located on the right side of the enclosure. Optional components such as a gauge block, venting gauge block, booster, VDI3847 interface, or safety solenoid valve can be integrated to enhance its versatility.

The SIPART PS2 can be fitted to linear or part-turn actuators using a suitable mounting kit and allows for further customization through optional modules, including Analog Output Modules (AOM) for 4 to 20 mA feedback, Digital I/O Modules (DIO) for alarm and safety signaling, and limit switches for precise monitoring. Its design also supports separate mounting of the positioner and position detection system, enabling installation in protected areas for harsh operating environments. This modularity and expandability ensure the SIPART PS2 meets a wide range of application requirements with ease and reliability.

Contact us now and let's talk price!

Precision Meets Predictive Maintenance

The SIPART PS2 offers advanced functionality to enhance valve control and optimize industrial processes. It features comprehensive monitoring capabilities, detecting critical parameters like actuator leakages, process valve travel time, and wear on valve seats. These insights are presented in real-time via the Diagnostics Cockpit, which provides a user-friendly interface for accessing diagnostic data, including setpoints, actual values, and deviation trends. The positioner’s three-stage alarm system enables proactive maintenance by signaling issues with green, yellow, or red alerts, reducing downtime and ensuring plant safety.

Further enhancing its functionality, the SIPART PS2 supports tests such as Full Stroke, Step Response, and Valve Performance for predictive maintenance. With the integration of features like the pressure sensor-aided Partial Stroke Test, the device maintains valve health during operation while supporting safety standards like SIL 2 compliance. Its role as an intelligent solenoid valve eliminates the need for additional components by performing both control and shut-off tasks seamlessly, reinforcing the SIPART PS2 as a multifunctional solution for efficient process management.

Need our help? Contact us here!

SIPART PS2 Siemens 1024 16X9

Which Remote Variant Should You Choose?

Prepared for extreme applications, the SIPART PS2 valve positioner offers specialized remote variants to address challenging operating conditions. Whether dealing with inaccessible valves, harsh environments, or radiation risks, SIPART PS2 provides tailored solutions. Explore the key features of each variation below to find the one that meets your needs:

External Position Detection System with Non-Contacting Sensor (NCS):

  • High distance between sensor and electronics for flexibility.
  • Designed for applications with extreme dust or water influences, including underwater operations.

External Position Detection System with Robust Housing:

  • Features a durable aluminum housing with a high degree of protection.
  • Ideal for environments with extreme temperature fluctuations and constant vibrations.

Remote Control Electronics for Radiation-Polluting Applications:

  • Electronics are housed in a control cabinet for added protection.
  • Allows a separation distance of up to one kilometer between control electronics and the valve.
  • Simplifies access to control electronics for maintenance or adjustments.

With these specialized options, the SIPART PS2 ensures optimal performance and reliability, even in the most demanding conditions.

SIPART PS2 Remote Position Siemens 1024 16X9 SIPART PS2 Remote Position 1 Siemens 1024 16X9 SIPART PS2 Remote Control Siemens 1024 16X9
SIPART PS2 Remote Position Siemens 1024 16X9
SIPART PS2 Remote Position 1 Siemens 1024 16X9
SIPART PS2 Remote Control Siemens 1024 16X9

Different Versions Same Excellence

SIPART PS2 Polycarbonate Siemens 1024 16X9

SIPART PS2 with Polycarbonate Enclosure: Lightweight and Durable

The SIPART PS2 with a polycarbonate enclosure is designed for standard industrial applications where robustness meets practicality. Its lightweight construction, combined with medium corrosion resistance (C5-M), makes it suitable for indoor and outdoor environments. This version offers reliable valve positioning with minimal maintenance requirements and is a cost-effective solution for processes without extreme environmental demands.

Exactly what you need? Contact us now!

SIPART PS2 with Aluminum Enclosure: Enhanced Protection for Challenging Conditions

Equipped with an aluminum enclosure, this version of the SIPART PS2 provides improved durability and corrosion resistance (C5-M), making it ideal for slightly more demanding environments. Its flameproof variant offers additional safety for hazardous locations, ensuring reliable operation even under potentially explosive conditions. Lightweight yet sturdy, the aluminum model is versatile and suitable for a range of applications.

Need more information? Contact us here

SIPART PS2 Aluminum Siemens 1024 16X9
SIPART PS2 SS Siemens 1024 16X9

SIPART PS2 with Stainless Steel Enclosure: Maximum Durability for Harsh Environments

Built for extreme conditions, the SIPART PS2 with a stainless steel enclosure (316L) offers high corrosion resistance (C5-M high durability) and superior protection against aggressive substances, such as chemicals or seawater. It is the ideal choice for industries like offshore operations, chemical plants, or environments with heavy contamination. This version ensures reliable performance and longevity in the harshest operating conditions.

Need more information? Contact us now!

SIPART PS2 with Flameproof Aluminum Enclosure: Safety First in Hazardous Areas

The flameproof aluminum enclosure variant is tailored for environments requiring explosion-proof equipment. Designed to meet stringent safety standards (Ex d), it protects against potential ignition sources, making it suitable for industries like oil and gas or chemical processing. Its rugged design ensures dependable operation while adhering to critical safety regulations.

Contact us here if you have any questions!

SIPART PS2 Flameproof Aluminum Siemens 1024 16X9
SIPART PS2 Flameproof SS Siemens 1024 16X9

SIPART PS2 with Flameproof Stainless Steel Enclosure: The Ultimate in Safety and Durability

Combining the benefits of flameproof technology and stainless steel robustness, this version of the SIPART PS2 is engineered for hazardous and corrosive environments. Its flameproof stainless steel enclosure provides unmatched durability and safety, ensuring optimal performance in applications with explosive atmospheres or aggressive chemical exposure. This model is a premium solution for industries that demand the highest standards of safety and reliability.

Need more information? Contact us here

SIPART PS2 Siemens 1024 16X9
Siemens Unboxing The SITRANS LU240 Video Thumbnail
SIPART PS2 Polycarbonate Siemens 1024 16X9 SIPART PS2 Aluminum Siemens 1024 16X9 SIPART PS2 Flameproof Aluminum Siemens 1024 16X9 SIPART PS2 Flameproof SS Siemens 1024 16X9 SIPART PS2 Dimensions Flameproof Enclosure Siemens 1024 16X9 SIPART PS2 Remote Position Siemens 1024 16X9 SIPART PS2 Remote Position 1 Siemens 1024 16X9 SIPART PS2 Remote Control Siemens 1024 16X9 SIPART PS2 Design Siemens 1024 16X9 SIPART PS2 Position Detection Siemens 1024 16X9 SIPART PS2 Design 1 Siemens 1024 16X9 SIPART PS2 Design 2 Siemens 1024 16X9
SIPART PS2 Siemens 1024 16X9
Siemens Unboxing The SITRANS LU240 Video Thumbnail
SIPART PS2 Polycarbonate Siemens 1024 16X9
SIPART PS2 Aluminum Siemens 1024 16X9
SIPART PS2 Flameproof Aluminum Siemens 1024 16X9
SIPART PS2 Flameproof SS Siemens 1024 16X9
SIPART PS2 Dimensions Flameproof Enclosure Siemens 1024 16X9
SIPART PS2 Remote Position Siemens 1024 16X9
SIPART PS2 Remote Position 1 Siemens 1024 16X9
SIPART PS2 Remote Control Siemens 1024 16X9
SIPART PS2 Design Siemens 1024 16X9
SIPART PS2 Position Detection Siemens 1024 16X9
SIPART PS2 Design 1 Siemens 1024 16X9
SIPART PS2 Design 2 Siemens 1024 16X9

Get in Touch with Our Experts

Insatech Medarbejdere Website MSR
For technical questions

Martin Søvind Jensen


Tel: +45 2761 4502

Email: Marine@insatech.com

Write to Martin

Test Af Websitebillede FREJ ANAN HNI
For commercial inquiries

Our team of Sales Specialists


Tel.: +45 5537 2095

Email: quotes@insatech.com

 

Contact us now

Technical Specifications
Communication

4 … 20 mA, HART 7, Profibus PA, FOUNDATION Fieldbus

Range of stroke

3 to 130 mm (larger strokes on request)

Angle of rotation range

30° to 100° (optional 180°)

Ambient temperature

-30 °C to +80 °C (optional -40°C)

Required air quality

Class 3 to ISO 8573-1

Max. air consumption in the controlled state

0,01 Nm³/h (0.006 scfm)

Limit values

2 (electronic, mechanical or capacitive)

Digital input / digital output

2 DI / 3 DO

Degree of protection

IP66, NEMA 4x

Explosion protection

ATEX, IECEx: Ex i, Ex e, EX t, Ex d

FM, CSA: IS, NI/I/2, DIP, XP

Certificates

Various global certificates and marine approvals

Specifications & Manuals

  • Datasheet - SIPART PS2 - Siemens
    English | pdf
  • Manual - SIPART PS2 - 4 to 20 mA/HART - Siemens
    English | pdf
  • Manual - SIPART PS2 - FOUNDATION Fieldbus - Siemens
    English | pdf
  • Manual - SIPART PS2 - PROFIBUS PA - Siemens
    English | pdf
  • Manual - SIPART PS2 - Diagnostic Manual - Siemens
    English | pdf

Didn't you find what you were looking for? 

If you are looking for some specific material, please write to us. Then we will try to find it for you, and send it as soon as possible.

Fill out the contact form 

Consent for storing of submitted data *


This site is protected by reCAPTCHA and the Google Privacy Policy and Terms of Service apply.

To top

Search