Insatech logo
Kvadrat Medium Carraro Desuper Varispring

VARIspring DM Nozzle

The VARIspring DM nozzles from Carraro are designed to overcome the limitations of fixed-area nozzles by automatically adjusting the passage area based on flow rate. This ensures consistent fluid velocity and excellent atomization, even when flow rates decrease.

The VARIspring gives you the following benefits:

  • Automatic flow adjustment
  • Consistent fluid velocity
  • Improved atomization
  • Efficient at low flow rates.

For sales or commercial inquiries please contact us at marine@insatech.com.

Contact us now

Enhanced Fluid Velocity Control with VARIspring DM Nozzles

VARIspring DM nozzles offer a significant advantage over fixed area nozzles by minimizing the limitations associated with reduced fluid velocity when flow rates decrease. These nozzles are designed to automatically adjust the passage area as the flow rate changes, ensuring that fluid velocity remains optimal for effective atomization.

The operation of the VARIspring nozzle is based on a spring mechanism that keeps the plug in a closed position until water pressure rises sufficiently. When the pressure differential (Δp) between the steam and water increases, it eventually overcomes the spring load, allowing the plug to open. Water then flows through specially designed passages in the nozzle body, creating a swirling effect before contacting the conical surface of the plug. This design enables the nozzle to atomize water in a conical pattern effectively. Additionally, the spring load is adjustable, allowing for customization of the start opening pressure to meet specific application needs, ensuring consistent performance across varying flow conditions.

Varispring Nozzle 1 Carraro 1024 16X9

Key Features of the VARIspring Desuperheater

The VARIspring has several benefits. See some of them listed below:

  • Variable area design: Automatically adjusts passage area based on flow rate.
  • Consistent fluid velocity: Maintains optimal velocity for improved performance.
  • Enhanced atomization: Ensures effective water atomization at varying flow rates.
  • Efficient low flow operation: Designed to perform well even at reduced flow rates.

Exactly what you need? Contact us now!

Solutions for Diverse Industries

The VARIspring are designed to deliver precise steam temperature control and efficient water atomization across a range of applications such as:

  • Process gases
  • Steam.

The various industries which the desuperheater is suitable for includes, but is not excluded to:

  • Marine
  • Oil & gas
  • General industry
  • Power.

Need more information? Contact us here

Big containership sailing

Why is it Called a Variable Area Nozzle?

In a fixed-area nozzle, the spray velocity decreases at low flow rates because the outlet section remains constant. In a spring-assisted variable area (DM) nozzle, the spring load is nearly constant, but the flow area adjusts automatically. This maintains the pressure difference (∆p) and prevents a drop in water velocity. The nozzle's plug reduces the flow area as the flow rate decreases, ensuring that the pressure and velocity remain consistent.

However, the plug's thrust area varies throughout its movement, meaning the relationship between the spring force and pressure difference is not perfectly linear. The plug's larger thrust area when near the closed position can reduce ∆p, leading to less efficient atomization at lower flow rates. This is why tests are needed to find the optimal relationship between flow rate and pressure difference.

Varispring Nozzle Carraro 1024 16X9

How does the VARIspring work?

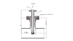
As shown in Figure 1 here, the operation of the VARIspring DM nozzle involves several key components. The spring (4), tensioned by the nut (3), holds the plug (2) in a closed position. To prevent loosening, the nut is secured with a locking pin (5).

When the water pressure inside the nozzle increases, the pressure difference between the steam and water rises until the water pressure overcomes the spring force, causing the plug to open. As the water flows through the specially drilled nozzle body (1), it is whirled before meeting the conical surface of the plug, where atomization occurs in a 90-degree conical pattern. The spring load can be adjusted to set the desired opening pressure.

Contact us now and let's talk price!

Best Practices for Efficient Desuperheating

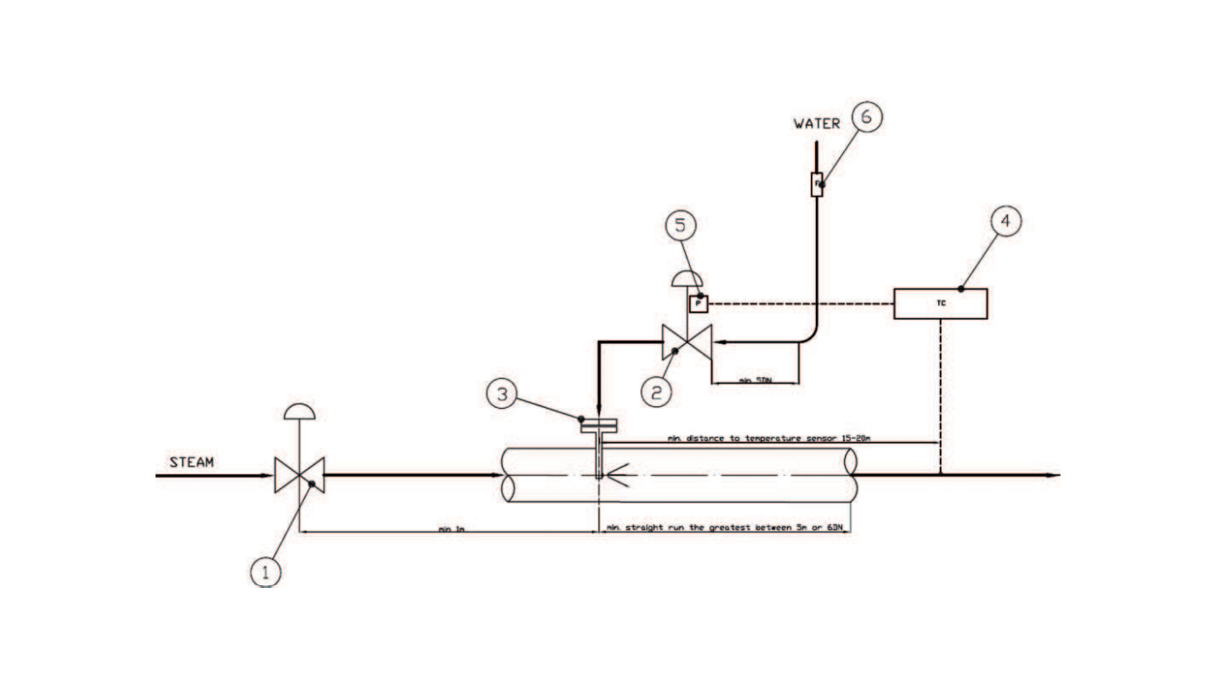
To ensure efficient desuperheating, careful consideration must be given to the installation and arrangement of the desuperheater within the steam system. Proper placement enhances steam-water mixing and optimizes temperature control.

The key is to maintain ideal steam velocity at the injection point, as higher velocity improves turbulence and facilitates faster evaporation of water droplets.

Additionally, the location of temperature sensors, straight pipe runs, and nozzle orientation must be configured in line with engineering standards. These practices, illustrated in the accompanying figures, are critical to achieving optimal performance and precise temperature regulation in various desuperheating applications.

LEGENDA:
1) Pressure reducing valve
2) Water control valve
3) Carraro desuperheater
4) Temperature controller
5) Posiioner
6) Filter (recommended)

Contact us now and let's talk price!

Varispring Engineering Carraro 1024 16X9
169 Medium Carraro Desuper Varispring Varispring Nozzle 1 Carraro 1024 16X9 Varispring Nozzle 2 Carraro 1024 16X9 Varispring Nozzle Carraro 1024 16X9 Varispring Inlet Carraro 1024 16X9 Varispring Engineering Carraro 1024 16X9 Varispring 1 Carraro 1024 16X9
169 Medium Carraro Desuper Varispring
Varispring Nozzle 1 Carraro 1024 16X9
Varispring Nozzle 2 Carraro 1024 16X9
Varispring Nozzle Carraro 1024 16X9
Varispring Inlet Carraro 1024 16X9
Varispring Engineering Carraro 1024 16X9
Varispring 1 Carraro 1024 16X9

Get in Touch with Our Experts

Insatech Medarbejdere Website MSR
For technical questions

Martin Søvind Jensen


Tel: +45 2761 4502

Email: Marine@insatech.com

Write to Martin

Test Af Websitebillede FREJ ANAN HNI
For commercial inquiries

Our team of Sales Specialists


Tel.: +45 5537 2095

Email: quotes@insatech.com

 

Contact us now

Technical Specifications
Function

emperature control of the overheated water

Size
  • Water: 1 ", 1 1/2", 2, 2 1/2 "and 3"
  • Steam flange: 2 ”, 3”, 4 ”, 6” and 8 ”
  • Steam line: 4 ”to 40”
Connection:

Flanger (ANSI)

Pressure step

Max ANSI 1500 (higher on request)

CV

From 1 to 15

Material
  • Valve body: Alloy steel
  • Nozzle head: Stainless steel (AISI 422)
Temperature

570 °C

Nozzles

6 different sizes

Rangeability

Up to 30: 1

Water volume

Max 60 m3 per. hour

Delta P
  • Min. 1.5 bar(g)
  • Max. 30 bar(g)
Cooling

Max Up to 7 °C above the saturation point of the outlet vapor

Product specifications and manuals

  • Brochure - VariSpring - Carraro
    English | pdf
  • Manual - VariSpring -Carraro
    English | pdf

Didn't you find what you were looking for? 

If you are looking for some specific material, please write to us. Then we will try to find it for you, and send it as soon as possible.

Fill out the contact form 

Consent for storing of submitted data *


This site is protected by reCAPTCHA and the Google Privacy Policy and Terms of Service apply.

To top

Search