The H2O ECO Water Maker Series from Parker is designed for boaters with limited power options and delivers efficient fresh water production at 17-25 gallons (63-95 liters) per hour. Its innovative, patent-pending energy recovery device and automatic operation make it the perfect solution for catamarans, sailboats, and vessels where power conservation is essential.
Key benefits for you:
Low Power
Automatic Operation
Compact Design
Easy Installation.
We deliver directly and globally to end-users, agents, and resellers. Contact us at quotes@insatech.com.
Space is a premium on any vessel, and the H2O ECO Series is engineered with that in mind. Its small footprint and robust, compact design make installation easy, even in tight spaces. With smooth, automatic operation, you can experience hassle-free water production without sacrificing valuable onboard storage or comfort. Perfect for catamarans, sailboats, and liveaboards, the H2O ECO offers reliable performance where it matters most.
Revolutionary Energy Recovery Watermaker
The H2O ECO watermaker series has several key features:
Patent-Pending Energy Recovery Device – Maximizes efficiency while minimizing power consumption
Low Power Consumption – Ideal for boats with limited power supply
Automatic Operation – Easy, hassle-free water production
Compact, Robust Design – Durable and reliable in marine environments
Smooth Operation – Consistent performance with minimal vibration or noise
Small Footprint – Space-saving design perfect for smaller vessels
Fresh Water Production – 17-25 gallons (63-95 liters) per hour
Ideal for Catamarans and Sailboats – Designed for boaters who prioritize efficiency and simplicity.
These features highlight why the H2O ECO is the go-to watermaker for energy-conscious boaters.
Unlock Fresh Water Anywhere with the H2O ECO Series
The H2O ECO Series is designed to provide reliable fresh water production for a variety of marine and off-grid applications where power efficiency and space are critical. Its innovative energy recovery system, compact design, and automatic operation make it an ideal solution for boaters, adventurers, and remote users who need consistent access to fresh water.
Key Applications:
Sailing Yachts – Perfect for extended trips where power is limited
Catamarans – Compact design and low power usage fit multi-hull layouts
Expedition Boats – Dependable fresh water production for remote explorations
Liveaboard Cruisers – Ensures continuous water supply with minimal power draw
Off-Grid Living – Suitable for remote cabins or islands with restricted power access
Emergency Backup Systems – Reliable watermaker for emergency preparedness.
With its versatility and efficiency, the H2O ECO Series empowers users to enjoy fresh water without compromising on energy use or space.
Installing the H2O ECO Watermaker has been thoughtfully designed to fit the needs of boaters who require efficient, low-power water production. Whether you're a seasoned sailor or new to onboard water systems, the H2O ECO offers clear and flexible installation options to get you up and running with minimal hassle. From secure mounting to proper plumbing and electrical connections, following the key guidelines ensures smooth operation and long-lasting performance.
Installing the H2O ECO Watermaker is designed to be straightforward while accommodating the unique layout of each vessel. The compact design and vibration-isolating mounts make it easy to secure the unit in tight spaces, whether you’re outfitting a catamaran, sailboat, or expedition vessel.
To ensure a successful installation, follow the general mounting guidelines and use discretion based on your specific setup. Keep all mounting surfaces flat to avoid warping, and use appropriate shims if needed. This attention to detail ensures the longevity of your system and prevents damage caused by improper installation.
Connecting the plumbing and electrical interfaces for the H2O ECO Watermaker is designed to be intuitive. Use non-ferrous materials like PVC, copper-nickel, or 316 stainless steel for the seawater inlet and discharge lines to avoid rust contamination. Ensure that the seawater supply is connected to a clean source and positioned to avoid air pockets, which can damage the pump. For electrical connections, the unit requires a dedicated power supply with its own breaker, ensuring a safe and reliable operation. Proper grounding is crucial to avoid damage from electrolysis, helping maintain your watermaker’s performance for years to come. By following these guidelines, you’ll enjoy hassle-free water production wherever your adventures take you.
Below we have gather all the recommended spare parts and special tools, so it is easy for you to get an overview and have the part numbers easy accessible.
Below we have gathered a few of the benefits of a Parker Water Purification Watermaker.
Less weight, lower fuel costs, higher speeds:
Sailing with a full water tank, or an additional 1,700 pounds, leads to squandered fuel, reduced speeds, and abbreviated voyages. With this watermaker, you can cruise swifter and longer while generating fresh water right onboard. Our systems not only save boaters time and money but also optimize yacht performance.
Cruise without limits or boundaries:
Having this watermaker onboard means you can bypass scheduling your boating ventures around marina stops. Cruise directly to your destination or venture to boundless distances without the necessity of replenishing fresh water supplies.
Fresh water wash downs:
Using Water Purification water for wash downs proves exceptionally efficient in safeguarding your yacht's exterior, potentially enhancing its overall value. Parker Water Purification water functions like a sponge, adeptly absorbing and rinsing away all undesirable sea salt and minerals, leaving surfaces spotlessly clean and free of water spots.
Convenient for every boating activity:
Regardless of whether you utilize it for drinking, showering, or cleaning your yacht, having a Water Purification watermaker offers endless opportunities to save money and enjoy more leisure time. With such advantages, how can any boater justify not owning this Water Purification watermaker?
The Reverse Osmosis(RO) system needs installation in a dry, sheltered area shielded from direct weather exposure. Adequate drainage should be ensured beneath the RO unit to facilitate water runoff during maintenance or repairs.
From Theory to Practice: Decoding Reverse Osmosis Mechanisms
The theory in short:
Osmosis: natural process involving semi-permeable membrane
Desalination: balances solution concentrations through membrane
Reverse Osmosis: high pressure reverses flow for purer solution
Feedwater concentration increases in Reverse Osmosis
Operating pressure: at least double membrane's osmotic pressure
Total Dissolved Solids (TDS): averages 32,000 to 35,000 ppm.
Let’s take a deep dive into the theory.
Understanding Osmosis: Nature's Filtering Process
Osmosis, a natural phenomenon, occurs when a semi-permeable membrane separates a pure solution from a concentrated one (where a semi-permeable membrane selectively allows passage of substances). Each liquid carries an inherent potential closely tied to the nature and quantity of solids dissolved within it. This potential, termed osmotic pressure, rises with the relative concentration of a solution. Consequently, a concentrated solution exhibits a higher osmotic pressure compared to a pure solution.
Reverse Osmosis: Engineering Pure Water Solutions
In a desalination setup, the less concentrated solution balances the concentrations of both solutions by moving across the membrane. Once adequate pure solution migrates across the membrane to equalize the inherent potential difference, the flow of purer solution ceases.
However, if pressure on the concentrated solution exceeds the osmotic pressure, fluid flow reverses. This phenomenon, known as Reverse Osmosis, is achieved by artificially pressurizing the more concentrated solution using a high-pressure pump. In such a system, the concentrated solution (commonly called feedwater) becomes even more concentrated as pure water moves across the membrane to the permeate side.
Disregarding the impact of feedwater temperature and salinity, the operating pressure typically required to produce significant quantities of pure water is at least double the osmotic pressure of the membrane utilized.
Seawater Composition: Total Dissolved Solids Overview
Seawater encompasses various solids dissolved within it. The predominant component is typically ordinary table salt, sodium chloride. Additionally, other minerals found in solution often comprise diverse compounds of calcium and sulfate. The collective sum of these dissolved solids in a given water sample is termed Total Dissolved Solids or TDS. Seawater typically registers between 32,000 to 35,000 ppm (parts per million) TDS on average, although deviations of around 5000 ppm are commonplace across different regions globally. The primary objective of any desalination process is a notable reduction in the concentration of dissolved solids in water.
It's important to acknowledge that no system can entirely eliminate all dissolved solids from seawater. Instead, the system is engineered to reject approximately 99% of the TDS, allowing only 1% of the 35,000 ppm TDS in seawater to permeate into the product water. This results in water containing less than 500 ppm, the recommended TDS level for drinking water. A system configured in this manner is described as having a salt passage percentage of 1% or a salt rejection rate of 99%.
Membrane Magic: Inside the High-Tech World of Reverse Osmosis
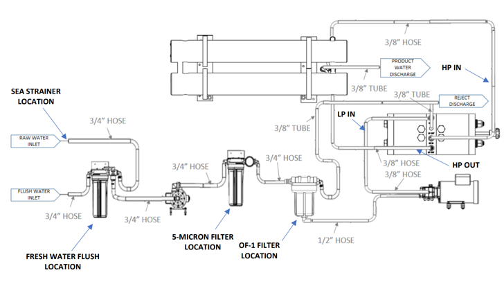
The purified and strained raw water, now termed feedwater, enters the inlet of the high-pressure pump. This pump elevates the feedwater pressure to 56-65 BAR (800 - 950 psi), the standard pressure necessary for optimal system recovery. Subsequently, the pressurized feedwater is directed into the membrane pressure vessels, forming an array. This array comprises fiberglass pressure vessels, each housing RO membrane elements.
Within the membrane elements, reverse osmosis occurs as the pressurized feedwater flows. The feedwater is bifurcated into two streams: the high purity product stream (referred to as the product) and the increasingly concentrated reject stream (referred to as the reject).
Maintaining RO Efficiency: Environmental Factors at Play
The table below demonstrates how alterations in temperature, salinity, and pressure impact both the quality and quantity of permeate generated by the RO system.
Should the salt concentration in the feedwater decrease, it's advisable to limit the increase in product water flow rate to no more than 20% above the rated flow. To maintain the rated flow in applications with brackish water or freshwater, adjustments to the Membrane Reject pressure may be necessary.
In scenarios where the feedwater salinity drops below the nominal level (e.g., near river mouths or in estuaries), the RO system can be fine-tuned to uphold a consistent permeate output. This adjustment can be achieved by manually controlling system pressure using the back-pressure regulator valve positioned in the system brine piping. To ensure prolonged pump life and minimal membrane fouling, Parker suggests not exceeding 9 psi, except in cases of extremely low temperature feed water.
BE AWARE that operating the unit at over 120% of its rated capacity in low salinity water can cause membrane damage.
On-board Watermaker (Reverse Osmosis Desalinator) offers cost-effectiveness, saving boat owners money in various ways.
Boat washdown with demineralized water eliminates spots, negating the need for labor-intensive drying and safeguarding rigging and hull. Save on rigging costs and labor hours.
Eliminate water purchases and detours, as well as the risk of bacterial and viral contamination.
Water weighs 8.3 pounds per gallon. By storing minimal water and producing more as needed, reduce boat weight and draft, saving fuel and creating extra storage or fuel tank space for extended voyages.
Incorporating a Watermaker enables expanded usage of fresh water onboard.
Enjoy peace of mind while saving time and money.
Which Capacity System Is Suitable for My Boat? What is the Reason for Requiring an Abundance of Water?
Typically, R.O. systems operate for around 4 to 6 hours daily, producing all required water during this time frame. Determine water usage needs for various purposes: Washing Machine, Drinking, Showers, Ice, Boat Washdown (with spotless softened water), Dishwasher. Divide total daily gallon usage by system operation hours to ascertain Gallons Per Hour rating needed for the R.O. System. For instance, 170 gallons used per day divided by 5 hours of operation necessitates a 34-gallon per hour system or a 900-gallon per day system.
Marine R.O. systems vary from 7 to 283 gallons per hour (170 to 6,800 gallons per day), while commercial systems can reach up to 44,000 gallons per day.
What is the System Differences?
The Aqua Whisper Series serves as the reliable conventional R.O. system ideal for regular usage on standard pleasure craft ranging from 40 to 100 feet.
The H2O ECO Series utilizes energy recovery and caters to smaller boats under 40 feet and those lacking an A.C. generator.
The Coral Sea Series boasts commercial ratings suitable for mega yachts and commercial vessels.
Does the Watermakers Make a Lot of Noise?
The Aqua Whisper is more quiet than other brands with its 10 dB.
The H2O ECO has a hum that you will not even notice.
Can it Operate in Brackist Water?
Absolutely. Brackish water poses no threat to the R.O. membrane or system. The Ultra Whisper automatically adapts its pressure to brackish water sources, ensuring optimal water production. Similarly, the Aqua Whisper's pressure can be manually regulated for normal operation with brackish water, delivering high-quality, potable water.
What about Flushing (storing) the System?
Potable water is necessary to "flush" or "store" the system, a process automated by the optional Fresh Water Flush feature, safeguarding both the R.O. membrane and system.
How much space do they occupy?
This is the smallest and most compact system available.
See the technical specification on the specific system by choosing your preferred Watermakers here.
Is it an Expensive System?
A Watermaker proves cost-effective when factoring in the savings on boat maintenance and rigging replacement by using water for boat cleaning.
Life expectancy is 20 years with adequate maintenance.
What are the power consumption, amperage draw, energy recovery, and power and voltage requirements?
The Ultra Whisper operates as an Energy Recovery R.O. system, drawing approximately one ampere per gallon of water produced. Perfect for smaller boats lacking an onboard AC generator.
Each series varies in efficiency. Refer to the brochure for detailed specifications.
The Soft Motor Starter option decreases AC starting load by 50%, enabling the use of lower kW generators.
Systems are customizable to any voltage configuration and power limit. Generator size (for AC systems) and battery bank requirements (for DC systems) may vary accordingly.
Does it have Automatic Shut Off with Full Water Tank or After a Set Time?
Certainly, it is achieved through installation of a Tank Level Switch.
Additionally, the Coral Sea System offers programmable shutdown capability at specified intervals.
Can it be used for Marina or Harbor Operation?
Indeed, once the Oil Water Separator is installed, it effectively extracts oil from the feed water, while the Ultra Violet Sterilizer ensures the sterilization of the product water.
How Long Does It Take to Make Fresh Water?
Almost immediately, as it possible only a few moments after start up.
How Does R.O. Work, and How Does the ETD Work?
The R.O. membrane rejects the salt, and allows the potable water to pass through. Visit our web site.
The Energy Transfer Device (ETD) in the H2O ECO Series recovers energy from the pressurized brine water and transfers that energy to the pressure chamber within the ETD.
Are All R.O. Membranes Similar?
Sea Recovery’s R.O. membrane elements are produced by Dow Chemical (Filmtec) to stringent standards and elevated specifications.
Crafted to industrial standards, boasting high flux (yielding more water per square foot of membrane) and high rejection (ensuring superior product water quality).
Generates increased water output within a compact design, offering simplified installation and enhanced versatility.
Can You Drink The Water, And If So What Does The Water Taste Like?
Absolutely, it's delightful, mineral-low, softened, refreshing, oxygenated, incredibly flavorful, pleasant, and ensures spotless dishes and washdowns!
Can the Water be Used for My Batteries?
No. Battery water necessitates distilled (0 PPM) water. Reverse Osmosis product water does contain minimal mineral content, suitable for drinking and washdowns but unsuitable for batteries.
Do I need a Genset to Use a Watermaker?
No. We offer 12 & 24 VDC systems, along with AC systems that necessitate a generator.
Accessory FAQ
How does the Fresh Water Flush Work?
Automatic flushing occurs when the system stops, with an additional automatic re-flush every 7 days.
Utilize the ship's onboard water system to deliver fresh water through the FWF Carbon filter, eliminating any chlorine, and into the R.O. System.
Do I Need the Ultra Violet Sterilizer (UV)?
Yes indeed, if the feed water (intake) originates from a harbor or contaminated source.
While the R.O. membrane effectively repels bacteria and viruses, in the event of biological migration across the membrane, the UV Sterilizer will eradicate 99.9% of any biological intrusion into the product water.
Which options does Sea Recovery suggest?
The Automatic Fresh Water Flush safeguards both the entire system and R.O. membrane.
Additional options are contingent on available space, as well as operational conditions and locations. For specific details, please consult our website or brochure.
Does the Booster Pump Self-Priming and What Size Is It?
No. While the High Pressure Pump aids in the initial water draw, optimal performance requires mounting the Booster Pump below water level.
The Booster Pumps are dimensioned to attain maximum allowable pressure, thereby extending the lifespan of prefilter elements to save the owner time and money.
What to Choose - the Planton Filter or the Multi Media Filter?
Both effectively extend the lifespan of prefilter elements. The Multi Media Filter offers extended intervals between maintenance.
Highly recommended for harbor or shallow operation, fishing grounds, and regions like the Pacific Northwest with high plankton levels.
Installation FAQ
Is There Any Installation Requirements?
Dedicated Thru-Hull Inlet fitting paired with a Sea Cock Valve.
Thru-Hull Discharge fitting for overboard discharge.
Connection for Product Water Tank Fill line.
Electrical Circuit Breaker and Electrical Wiring.
Where Can It Be Installed On the Boat?
Anywhere is suitable. While the engine room is commonly chosen, other viable locations include lazarettes, closets, under settees, or any available space.
What Size Thru-Hull is Required?
From ½” to 1” depending on the system.
Can the System be Installed Above Water Line?
Yes, the system can be positioned above water level, but it's essential for the Booster Pump (provided with the system) to be installed below the waterline.
Is Self (owner) Installation Possible?
Setting up the essential thru-hull fittings and electrical connections should be conducted by skilled and seasoned technicians. However, installing the system itself demands only fundamental mechanical proficiency and can be carried out by the user. Our thorough Owner's Manual guides the installer through each step of the process.
Maintenance FAQ
IS Pre or Post Treatment Chemicals Required and What Are the ptions?
Pre or post-treatment chemicals are unnecessary for the Sea Water Marine Systems.
Options for pre and post-filtration include Oil Water Separators and Ultra Violet Sterilizers, ideal for use in polluted harbors.
Is There Any Maintenance or Service Requirement?
Simple and cost-effective pre-filter cleaning or replacement, 500-hour oil changes, and 2000-hour seal maintenance.
Maintenance and service procedures are detailed step-by-step in the Owner's Manual.
What Are the Maintenance Costs?
When regularly used, this averages less than ½ penny per gallon of water produced and can vary depending on the condition of the feed water.
What Are the Filter Changing and Cleaning Requirement?
The frequency of pre-filter cleaning or replacement depends on the clarity of the feed water and is necessary when the system automatically shuts off at an inlet pressure of 6 psi.
What is Suggested Regarding the R.O. Membrane Element Changing and Cleaning?
Reverse Osmosis Membrane cleaning is conducted as necessary, typically once every 2 years. R.O. membranes have an average lifespan of 5 years, potentially extending up to 10 years with appropriate maintenance.
The FWF prolongs the lifespan of pre-filters and R.O. membranes.
What Are the Requirements for Storing, Winterizing (protection from freezing), and Pickling?
Protection against freezing temperatures necessitates the addition of food-grade Propylene Glycol to the Feed Water.
The Automatic Fresh Water Flush eradicates the need for pickling.
In the absence of the Automatic Fresh Water Flush, pickling should be conducted if the system remains unused for several months, and this treatment remains effective for up to a year.
Is There Spare Parts Available?
Yes, we have all the spare parts that you need for your Watermaker system. Contact us here!
Are There Maintenance Kits Available?
Yes, there is Planned Maintenance Kits available to ensure a continual trouble-free operation for you. Contact us now!
Are the Prefilter Elements Special and Cleanable?
Yes, the prefilter elements are made of specialized polypropylene material with a specific micron rating.
Yes, the prefilter elements can be cleaned several times before needing replacement.
Only use prefilter elements provided by the R.O. system manufacturer.
Swimming pool filter elements and home under-sink type filter elements are made from incorrect materials, will disintegrate in seawater, have a loose micron rating, and will cause fouling and damage to the R.O. membrane element.
We Deliver Directly to End Customers, Resellers, and Agents – Globally
At Insatech, we are proud to offer our high-quality products to all customers worldwide. Whether you’re an end customer, a reseller, or an agent, you can purchase directly from us.
By choosing us, you gain direct access to all our products, eliminating the need for intermediaries. Our global distribution possibilities ensure fast and reliable delivery to your doorstep, wherever you are.
We strive to make it easy for you as an end consumer to find the products you are looking for while supporting agents and resellers looking to grow their business. Whether you’re buying for your use or resale, we’re here to meet your needs.
Discover how simple it is to work directly with a trusted global distributor – shop with confidence at Insatech today!
As an authorized Parker distributor, Insatech combines global expertise with local insight to deliver tailored solutions for ship operators, shipyards, and industrial clients.
Partnering with us means more than access to Parker products - you gain engineering support, turnkey solutions, and expert service built around your operational needs.
With strong expertise in marine instrumentation, Parker filtration, fuel and oil monitoring, and hydraulic systems, we help you keep your operations reliable, efficient, and compliant.
At Insatech, we choose Parker Hannifin because their products set the industry standard for innovation, reliability, and performance. Parker’s advanced technologies and durable components ensure long-term efficiency and safety in demanding marine and industrial applications. By integrating Parker’s instrumentation, valves, and system solutions, we deliver trusted, high-quality results that help our customers operate smarter and more sustainably.
At Insatech, we deliver more than high-quality Parker Hannifin products - we provide complete Parker solutions. Combining engineering expertise, global support, and proven technology, our turnkey systems are built to meet real operational challenges. With tailored services and expert knowledge, we ensure efficiency, compliance, and long-term performance across marine, industrial, and process applications.